Foram encontradas 8.137 questões.
Um voltímetro é utilizado para medir a tensão
de uma fonte cujo valor real é conhecido. Ao repetir
várias medições, observa-se que os valores obtidos
são muito próximos entre si, porém diferem significativamente do valor verdadeiro da tensão.
Portanto, é correto afirmar que o voltímetro apresenta:
Portanto, é correto afirmar que o voltímetro apresenta:
Provas
Questão presente nas seguintes provas
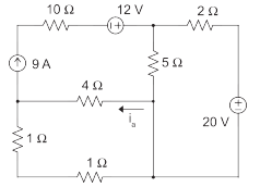
Considere o circuito abaixo:

Assinale a alternativa que indica corretamente o valor da corrente i a no circuito.
Provas
Questão presente nas seguintes provas
O circuito em destaque mostra fontes contínuas e resistências.

Assinale a alternativa que contenha os valores da tensão (Vth) e da resistência (Rth) equivalente de Thévenin entre os pontos a e b.
Provas
Questão presente nas seguintes provas
Um determinado ambiente a ser iluminado possui dimensões de 8 metros de comprimento por 6
metros de largura. Para iluminar adequadamente o ambiente recomenda-se um nível de iluminância
de 600 lux. Sabe-se que as luminárias disponíveis para o projeto possuem uma lâmpada cada, com
nível médio de iluminação de 1.200 lumens. Considerando para esse ambiente um fator de
manutenção de 0,6 e um fator de utilização de 0,4, analise as afirmações abaixo e assinale a
alternativa com a quantidade de lâmpadas corretas de acordo com os requisitos de iluminação do
ambiente previamente descritos.
Provas
Questão presente nas seguintes provas
Sobre as grandezas luminotécnicas fundamentais analise as afirmações abaixo e assinale a
alternativa correta.
Provas
Questão presente nas seguintes provas
Com relação ao dimensionamento do condutor neutro nas instalações elétricas de baixa tensão, de
acordo com o que está previsto na NBR 5410:2004, é correto afirmar:
Provas
Questão presente nas seguintes provas
De acordo com a NBR 5410:2004, com relação aos critérios para a divisão da instalação em
circuitos, é correto afirmar:
Provas
Questão presente nas seguintes provas
- EletrotécnicaCircuitos Elétricos em Eletrotécnica
- EletrotécnicaInstalações Elétricas em Eletrotécnica
Suponha que é necessário dimensionar pelo critério da capacidade de corrente os condutores de um
circuito que alimenta uma carga monofásica de 2.000 W com fator de potência de 0,8 indutivo, em
tensão fase-neutro de 220 V. Sabendo que as capacidades de condução de corrente dos condutores
de seção nominal de 2,5 mm2
, 4,0 mm2
e 6,0 mm2 são respectivamente 24 A, 32 A e 41 A, de
acordo com o método de instalação considerado e é necessário aplicar um fator de correção por
agrupamento de 0,7 nesses valores, marque a opção que contém valores de seção nominal dos
condutores e disjuntor adequados técnica e economicamente.
Provas
Questão presente nas seguintes provas
Considere um circuito terminal com um condutor que possui fator de queda de tensão unitário de
10 V/A.km. Esse circuito alimenta uma carga de 1.600 W com fator de potência 0,8 indutivo em
tensão fase/neutro de 220V, distante 90 metros do quadro de distribuição. Analise as opções abaixo
e assinale a alternativa com o valor percentual da queda de tensão na carga.
Provas
Questão presente nas seguintes provas
No projeto final da disciplina de eletrotécnica os alunos realizaram a instalação de um interruptor
three-way ou paralelo. Assinale a alternativa correta em relação aos condutores utilizados pelos
alunos na instalação do circuito com um theee-way e uma lâmpada.
Provas
Questão presente nas seguintes provas
Cadernos
Caderno Container