Magna Concursos

Foram encontradas 8.146 questões.

3363367 Ano: 2024
Disciplina: Eletroeletrônica
Banca: CESPE / CEBRASPE
Orgão: CAGEPA
Provas:
Toda instalação elétrica de alta e baixa tensão deve possuir um sistema de aterramento dimensionado adequadamente, a fim de apresentar desempenho satisfatório do ponto de vista elétrico e também reduzir os riscos de acidentes fatais. A esse respeito, julgue os seguintes itens.

I Tensão de toque é aquela entre o pé e a mão da pessoa que toca uma massa metálica energizada em relação à terra, ocasionada, por exemplo, por uma falha de isolamento.
II Tensão de passo é aquela que surge no solo entre os pés de uma pessoa que está próxima de um eletrodo (ou malha) de aterramento no instante em que passa pelo solo uma corrente elétrica proveniente, por exemplo, de uma descarga atmosférica ou defeito para a terra.
III A fim de reduzir a tensão de passo em ambientes de subestações de energia elétrica, devem ser colocadas camadas de brita sobre o solo para melhorar o nível de isolamento do indivíduo.

Assinale a opção correta.
 

Provas

Questão presente nas seguintes provas
3363364 Ano: 2024
Disciplina: Eletroeletrônica
Banca: CESPE / CEBRASPE
Orgão: CAGEPA
Provas:
Assinale a opção em que são apresentados apenas equipamentos empregados em circuitos de força e comando de acionamento elétrico de motores de indução trifásicos.
 

Provas

Questão presente nas seguintes provas
3335230 Ano: 2024
Disciplina: Eletroeletrônica
Banca: CONTEMAX
Orgão: Câm. Almirante Tamandaré-PR
Provas:
Para que serve a caixa de distribuição em uma instalação elétrica?
 

Provas

Questão presente nas seguintes provas
3335229 Ano: 2024
Disciplina: Eletroeletrônica
Banca: CONTEMAX
Orgão: Câm. Almirante Tamandaré-PR
Provas:
Qual é a cor padrão do fio terra em instalações elétricas residenciais no Brasil?
 

Provas

Questão presente nas seguintes provas
3326366 Ano: 2024
Disciplina: Eletroeletrônica
Banca: FEPESE
Orgão: Pref. Caçador-SC
Provas:

A figura abaixo mostra o diagrama elétrico da partida de um motor elétrico.

Enunciado 3326366-1

Assinale a alternativa correta quanto à representação mostrada na figura.

 

Provas

Questão presente nas seguintes provas
3307393 Ano: 2024
Disciplina: Eletroeletrônica
Banca: FEPESE
Orgão: Pref. Concórdia-SC
Provas:

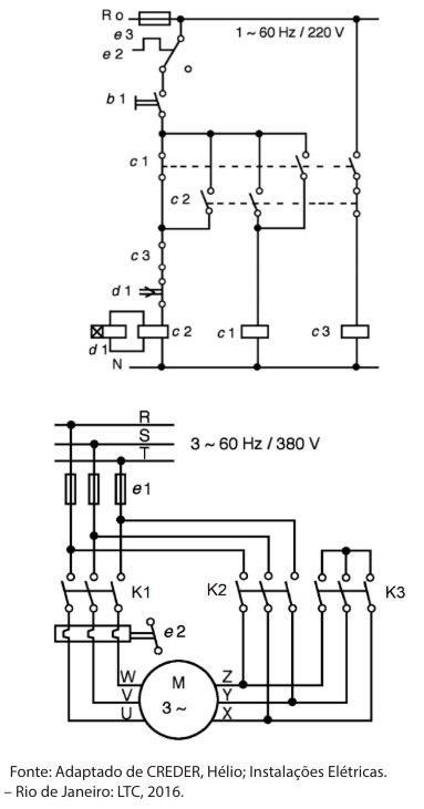
Sistema

Responda a questão com relação ao sistema de acionamento de um motor de indução trifásico mostrado na figura abaixo.

Enunciado 3307393-1

Assinale a alternativa que apresenta a correta correlação entre os símbolos dos contatores de comando e de força.
 

Provas

Questão presente nas seguintes provas
3307392 Ano: 2024
Disciplina: Eletroeletrônica
Banca: FEPESE
Orgão: Pref. Concórdia-SC
Provas:

Sistema

Responda a questão com relação ao sistema de acionamento de um motor de indução trifásico mostrado na figura abaixo.

Enunciado 3307392-1

Assinale a alternativa com a correta nomenclatura do dispositivo “d1”.
 

Provas

Questão presente nas seguintes provas
3307390 Ano: 2024
Disciplina: Eletroeletrônica
Banca: FEPESE
Orgão: Pref. Concórdia-SC
Provas:

Disjuntores motores devem ser projetados considerando as condições gerais de operação de motores.

Assinale a alternativa que mostra a correta correlação entre os tempos de atuação do disjuntor (Tdisj) em relação ao tempo normal de partida (Tpart) e ao tempo máximo de operação com rotor bloqueado (Trb), conforme a relação T1 ≥ T2 > T3.

 

Provas

Questão presente nas seguintes provas
3292228 Ano: 2024
Disciplina: Eletroeletrônica
Banca: IBADE
Orgão: Pref. Joinville-SC
Provas:
Os transitórios normalmente têm origem no sistema elétrico a partir de curtos-circuitos, chaveamento de banco de capacitores, ressonâncias, chaveamento de retificadores, entre outros. Um transitório oscilatório de média frequência está situado na faixa de:
 

Provas

Questão presente nas seguintes provas
3292225 Ano: 2024
Disciplina: Eletroeletrônica
Banca: IBADE
Orgão: Pref. Joinville-SC
Provas:
Quando analisamos dois ou mais sinais alternados de mesmo tipo e mesma frequência, devemos observar no gráfico o comportamento de seus principais pontos e verificar se eles ocorrem ou não no mesmo instante (hemiciclos positivo e negativo de ambos ocorrendo juntos), e o mesmo com os pontos de máximo e zeros. Os sinais estarão defasados quando:
 

Provas

Questão presente nas seguintes provas