Foram encontradas 8.145 questões.
3605891
Ano: 2025
Disciplina: Eletroeletrônica
Banca: FUNDATEC
Orgão: Pref. Tangará Serra-MT
Disciplina: Eletroeletrônica
Banca: FUNDATEC
Orgão: Pref. Tangará Serra-MT
Provas:
Sobre o sistema elétrico brasileiro, mais especificamente sobre sua matriz energética,
analise as assertivas a seguir:
I. A matriz energética brasileira possui 78% de fontes renováveis, abaixo da média mundial, que é de 85%.
II. As principais fontes renováveis são a hídrica (55%), a eólica (14,8%) e a biomassa (8,4%).
III. O gás natural constitui grande parte das fontes não renováveis da matriz energética brasileira, participando com 65% da geração, perdendo apenas para a geração de energia nuclear, que no Brasil participa com 72%.
Quais estão corretas?
I. A matriz energética brasileira possui 78% de fontes renováveis, abaixo da média mundial, que é de 85%.
II. As principais fontes renováveis são a hídrica (55%), a eólica (14,8%) e a biomassa (8,4%).
III. O gás natural constitui grande parte das fontes não renováveis da matriz energética brasileira, participando com 65% da geração, perdendo apenas para a geração de energia nuclear, que no Brasil participa com 72%.
Quais estão corretas?
Provas
Questão presente nas seguintes provas
3605890
Ano: 2025
Disciplina: Eletroeletrônica
Banca: FUNDATEC
Orgão: Pref. Tangará Serra-MT
Disciplina: Eletroeletrônica
Banca: FUNDATEC
Orgão: Pref. Tangará Serra-MT
Provas:
Considerando o circuito apresentado na Figura 9 abaixo, determine a leitura do voltímetro.

Provas
Questão presente nas seguintes provas
3605889
Ano: 2025
Disciplina: Eletroeletrônica
Banca: FUNDATEC
Orgão: Pref. Tangará Serra-MT
Disciplina: Eletroeletrônica
Banca: FUNDATEC
Orgão: Pref. Tangará Serra-MT
Provas:
- EletrotécnicaInstalações Elétricas em Eletricidade
- Legislação, Normas e ResoluçõesSegurança do Trabalho
De acordo com a Nova Agenda Urbana, adotada na Conferência das Nações Unidas
sobre habitação e desenvolvimento urbano sustentável (Habitat III) em 2016, as medidas de eficiência
energética apresentam uma oportunidade para as cidades economizarem dinheiro e reduzirem sua
pegada de carbono, além de gerar importantes benefícios em relação à qualidade de vida dos
moradores mais pobres. São recomendações desse documento, EXCETO:
Provas
Questão presente nas seguintes provas
3605888
Ano: 2025
Disciplina: Eletroeletrônica
Banca: FUNDATEC
Orgão: Pref. Tangará Serra-MT
Disciplina: Eletroeletrônica
Banca: FUNDATEC
Orgão: Pref. Tangará Serra-MT
Provas:
Considerando a Figura 8 e as informações abaixo, calcule a potência total e a corrente
total do circuito.
V = 120V/0° Sz1 = 3√2 kW + 3√2 kvar Sz2 = 3√2 kW - 3√2 kvar

V = 120V/0° Sz1 = 3√2 kW + 3√2 kvar Sz2 = 3√2 kW - 3√2 kvar

Provas
Questão presente nas seguintes provas
3605887
Ano: 2025
Disciplina: Eletroeletrônica
Banca: FUNDATEC
Orgão: Pref. Tangará Serra-MT
Disciplina: Eletroeletrônica
Banca: FUNDATEC
Orgão: Pref. Tangará Serra-MT
Provas:
Analise o circuito apresentado na Figura 7 abaixo:

No circuito acima, ao menos um dos instrumentos de medição está instalado incorretamente. Considerando o exposto, assinale a alternativa correta.
Provas
Questão presente nas seguintes provas
3605886
Ano: 2025
Disciplina: Eletroeletrônica
Banca: FUNDATEC
Orgão: Pref. Tangará Serra-MT
Disciplina: Eletroeletrônica
Banca: FUNDATEC
Orgão: Pref. Tangará Serra-MT
Provas:
- EletrotécnicaInstalações Elétricas em Eletricidade
- Legislação, Normas e ResoluçõesSegurança do Trabalho
Em relação à Agenda 21, assinale a alternativa INCORRETA.
Provas
Questão presente nas seguintes provas
3605885
Ano: 2025
Disciplina: Eletroeletrônica
Banca: FUNDATEC
Orgão: Pref. Tangará Serra-MT
Disciplina: Eletroeletrônica
Banca: FUNDATEC
Orgão: Pref. Tangará Serra-MT
Provas:
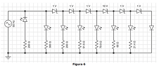
Na Figura 6 abaixo é apresentado um experimento com diodos Zener. Para o circuito,
considere tensão da fonte senoidal de 8,2 V (tensão de pico), e diodo Zener com Vz = 1 V.
Assinale a alternativa que melhor descreve o funcionamento desse circuito.
Assinale a alternativa que melhor descreve o funcionamento desse circuito.
Provas
Questão presente nas seguintes provas
3605884
Ano: 2025
Disciplina: Eletroeletrônica
Banca: FUNDATEC
Orgão: Pref. Tangará Serra-MT
Disciplina: Eletroeletrônica
Banca: FUNDATEC
Orgão: Pref. Tangará Serra-MT
Provas:
Um transformador ideal (sem perdas) possui tensão no primário de 120 V e no
secundário 12 V. O primário desse transformador possui 600 espiras e no secundário está acoplada
uma carga de 300 W. Determine o número de espiras no secundário (N2) e as correntes circulantes
no primário e no secundário do transformador, respectivamente.
Provas
Questão presente nas seguintes provas
3605882
Ano: 2025
Disciplina: Eletroeletrônica
Banca: FUNDATEC
Orgão: Pref. Tangará Serra-MT
Disciplina: Eletroeletrônica
Banca: FUNDATEC
Orgão: Pref. Tangará Serra-MT
Provas:
Analise os seguintes dados de um projeto:
• Média mensal de consumo de energia: 500 kWh (no período de um ano, base: faturamento daconcessionária de energia).
• Irradiação solar diária média mensal: 5,00 kWh/m² (obtido a partir de geolocalização e softwareespecializado).
• Potência nominal do painel: 500 W.
• Rendimento geral do sistema: 100% (sistema sem perdas).
Considerando as informações apresentadas, determine a quantidade de painéis solares necessáriapara atender ao consumo de energia elétrica média de um sistema fotovoltaico (Observação:considere um mês de 30 dias).
• Média mensal de consumo de energia: 500 kWh (no período de um ano, base: faturamento daconcessionária de energia).
• Irradiação solar diária média mensal: 5,00 kWh/m² (obtido a partir de geolocalização e softwareespecializado).
• Potência nominal do painel: 500 W.
• Rendimento geral do sistema: 100% (sistema sem perdas).
Considerando as informações apresentadas, determine a quantidade de painéis solares necessáriapara atender ao consumo de energia elétrica média de um sistema fotovoltaico (Observação:considere um mês de 30 dias).
Provas
Questão presente nas seguintes provas
3605881
Ano: 2025
Disciplina: Eletroeletrônica
Banca: FUNDATEC
Orgão: Pref. Tangará Serra-MT
Disciplina: Eletroeletrônica
Banca: FUNDATEC
Orgão: Pref. Tangará Serra-MT
Provas:
Analise a Figura 5 abaixo, que apresenta o diagrama esquemático de um motor CC
e seus principais componentes.
Sobre a identificação dos componentes apresentados no diagrama, assinale a alternativa correta.
Sobre a identificação dos componentes apresentados no diagrama, assinale a alternativa correta.
Provas
Questão presente nas seguintes provas
Cadernos
Caderno Container