Foram encontradas 200 questões.
Uma unidade consumidora é alimentada por um transformador trifásico 13800V/220V, operando em sua capacidade nominal. Sendo a corrente absorvida pelo consumidor do lado de baixa tensão igual 118,1 A, assinale a alternativa que indica a potência trifásica nominal do transformador em kVA.
Provas
Em instalações elétricas de baixa tensão, considerando- se a NBR-5410, analise as afirmações:
I) Para seccionamento automático, visando a proteção contra choques elétricos, no esquema de aterramento TT, devem ser usados dispositivos a corrente diferencial-residual (DR).
II) O uso de dispositivos de proteção a corrente diferencial- residual com corrente diferencial-residual nominal igual ou superior a 50 mA é reconhecido como proteção adicional contra choques elétricos.
III) A proteção contra sobretensões, quando requerida, deve ser provida por dispositivos de proteção a corrente diferencial-residual (DR).
IV) Uso de filtros e/ou dispositivos de proteção contra surtos (DPSs) em circuitos que alimentam equipamentos sensíveis é uma medida que contribui para a redução dos efeitos das sobretensões induzidas e das interferências eletromagnéticas.
V) Fusíveis são dispositivos capazes de promover a proteção contra correntes de curto-circuito.
Estão corretas apenas:
Provas
No tocante a NR-10: Segurança em instalações e serviços em eletricidade, assinale a alternativa correta.
Provas
Um motor trifásico de 3734 W é conectado a uma rede 220 V, 60 Hz. A corrente medida em uma das fases é igual a 14 A. A potência aparente total absorvida pelo motor é igual 5334 VA. Assinale o fator de potência desse motor.
Provas
Um dado dispositivo é constituído por um circuito elétrico com cinco elementos resistivos ligados em paralelo sendo: R1 = R2 = 100 ohms, R3 = 50 ohms, R4 = 37,5 ohms e R5 = desconhecido. A especificação técnica do dispositivo indica que a resistência equivalente do circuito é igual a 6 ohms. Assinale a alternativa que indica o valor da resistência R5.
Provas
Uma instalação é atendida por uma ligação faseneutro, cuja tensão é 120 V. Nessa instalação, existem duas cargas ligadas em paralelo com impedâncias iguais a: Z1 = 6 ohms e Z2 = 4 ohms. Assinale a alternativa que indica o valor total da corrente e da potência ativa consumida do sistema, respectivamente.
Provas
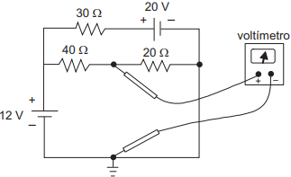
Considere o circuito elétrico de corrente contínua da figura, no qual se realiza uma medida com um voltímetro. Assinale a alternativa que apresenta a tensão medida pelo voltímetro.

Provas
Os amplificadores operacionais são muito utilizados em circuitos de condicionamento de sinais para instrumentação eletrônica. Dado o circuito: Analise as afirmativas a seguir.
I) Esse circuito é instável, por possuir a entrada Vi na entrada não-inversora (positiva).
II) O ganho desse circuito é muito grande, pois está em malha aberta e deve ser verificado o data sheet do componente.
III) O ganho do circuito pode ser calculado pelos valores dos resistores e seu ganho é igual a, exatamente, Avf = 30. (Avf = ganho em malha fechada)
IV) Caso a realimentação na entrada inversora seja feita na entrada não inversora, o circuito melhora seu desempenho.
Assinale a alternativa correta.
Provas
Para a representação de peças, sistemas ou dispositivos, utilizam-se as normas vigentes de desenho técnico.
Assim, com base nesses conceitos, considere as seguintes sentenças:
I) As escalas de desenho técnico podem ser utilizadas da seguinte forma (considerando-se N >1):
1 : 1 - Escala Natural
1 : N - Escala de Redução
N : 1 - Escala de Ampliação
II) Quando uma peça a ser desenhada possuir muitos detalhes internos, as projeções ortogonais terão muitas linhas tracejadas e poderão dificultar a interpretação do desenho, assim podem ser utilizadas as vistas em corte.
III) Para objetos sólidos, são utilizadas as projeções ortogonais para se representar as formas tridimensionais através de figuras planas, pois esses sólidos são constituídos de várias superfícies.
Está(ão) correta(s):
Provas
As esquadrias possuem um conjunto de exigências de qualidade quanto à segurança, habitabilidade, durabilidade, qualidade, estética e facilidade no uso; e o conjunto de todas as esquadrias do edifício é considerado um subsistema do edifício. A respeito desses elementos, considere as colunas a seguir:
Coluna I
( 1 ) Janela de abrir de eixo vertical, com folha dupla ou simples.
( 2 ) Janela projetante e de tombar.
( 3 ) Janela projetante deslizante ou maxim-ar.
( 4 ) Janela pivotante vertical.
( 5 ) Janela basculante.
Coluna II
I) Formada por uma ou mais folhas, que podem ser movimentadas mediante rotação em torno de um eixo vertical e não coincidente com as laterais das folhas.
II) Possui eixo de rotação horizontal, centrado ou excêntrico, e não coincide com as extremidades superiores ou inferiores da janela.
III) Formada por uma ou mais folhas, que podem ser movimentadas mediante rotação em torno de eixos verticais fixos, coincidentes com as laterais da folha.
IV) Formada por uma ou mais folhas, que podem ser movimentadas em torno de um eixo horizontal, com translação simultânea desse eixo.
V) Formada por uma ou mais folhas, que podem ser movimentadas por rotação em torno de um eixo horizontal fixo, situado na extremidade superior ou inferior da folha.
Assinale a alternativa que indica a associação correta entre as duas colunas.
Provas
Caderno Container