Foram encontradas 40 questões.
Com relação às instalações elétricas de baixa tensão, identifique as seguintes afirmativas como verdadeiras (V) ou falsas (F):
( ) A NBR 5410 é a norma aplicada a todas as instalações elétricas cuja tensão nominal é igual ou inferior a 1000 V em corrente alternada (CA) ou a 1500 V em corrente contínua (CC).
( ) O uso de dispositivos de proteção kipo diferencial-residual (DR) não dispensa o aterramento das massas dos equipamentos.
( ) O fator de potência em um sistema elétrico operando em corrente alternada é definido pela razão da potência ativa pela potência aparente.
( ) A quantidade de tomadas de uso específico (TUE´s) em um projeto, segundo a NBR 5410, é determinada tendo como base o número de aparelhos de utilização, com corrente nominal superior a 1A.
Assinale a alternativa que apresenta a sequência correta, de cima para baixo.
Provas
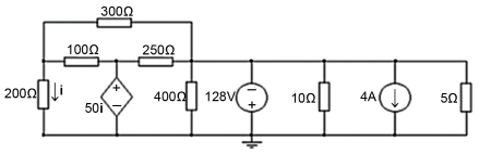
Considere o circuito a seguir:

Assinale a alternativa que apresenta a parte inteira da potência em Watts dissipada no resistor de \( 5\Omega \).
Provas
Considere o simultâneo de condutores para alimentação elétrica e comunicação de dados (PLC, Power Line Communication) e assinale a alternativa correta.
Provas
A respeito das tecnologias de telefonia celular, é correto afirmar:
Provas
Com base na norma brasileira de cabeamento estruturado NBR14565 (Cabeamento Estruturado para Edifícios Comerciais e Data Centers, terceira edição 12/07/2012), analise as seguintes afirmativas:
1. A norma determina que o cabeamento horizontal deve ser projetado para suportar a maior parte das aplicações existentes e emergentes e deve fornecer uma vida operacional de, no mínimo, dez anos.
2. No cabeamento horizontal, os distribuidores de piso devem ser posicionados para garantir que o comprimento do canal não exceda 100 m, independentemente do meio físico utilizado.
3. O uso de tomadas de telecomunicações é opcional, sendo possível a implementação de conectores RJ-45 do tipo macho nas extremidades do cabeamento horizontal.
4. No cabeamento horizontal, entre o distribuidor de piso e a tomada de telecomunicações, é permitida a instalação de um ou dois pontos de consolidação.
Assinale a alternativa correta.
Provas
Sobre sistemas troncalizados de despacho, considere as seguintes afirmativas:
1. A comunicação se dá de maneira descentralizada, de forma que cada par de dispositivos móveis decide o canal de frequência para a comunicação.
2. O número de usuários pode ser muito maior que o número de canais disponíveis, haja vista que a alocação de canais é centralizada e somente feita no momento em que existe uma comunicação entre dois terminais.
3. Antes de fazer parte de uma comunicação, o dispositivo móvel procura o canal de controle e fica na escuta até que uma comunicação seja estabelecida e um canal de comunicação seja alocado.
4. Sistemas de comunicação troncalizados são em essência redes ad hoc do tipo mesh.
Assinale a alternativa correta.
Provas
Identifique como verdadeiras (V) ou falsas (F) as seguintes afirmativas a respeito de comunicações em VHF e UHF:
( ) Sinais transmitidos em UHF e VHF são refletidos pela ionosfera, fazendo com que o comunicação passe largamente a linha de visão (LOS).
( ) TETRA e APCO P25 são exemplos de normas de comunicação em frequências VHF e UHF.
( ) Em um sistema de comunicação ponto a ponto, o dispositivo móvel sempre transmite em uma frequência e recebe em outra.
( ) Sistemas de rádio difusão em FM comercial se encontram na banda VHF e têm uma topologia ponto-multiponto.
Assinale a alternativa que apresenta a sequência correta, de cima para baixo.
Provas
Considere as seguintes afirmações sobre modulação analógica e digital:
1. É possível se gerar um sinal AM de banda lateral única com um detector de envoltória.
2. A modulação em quadratura é usada principalmente para gerar sinais com espectro de frequência assimétrico em banda base.
3. A modulação QPSK altera a amplitude da portadora e por isso possibilita o uso de amplificadores lineares.
4. O sinal de modulação FSK pode ter sua banda passante alterada para ser mais robusta perante o ruído do canal.
Assinale a alternativa correta.
Provas
Em um dado sistema de comunicação via rádio, o múltiplo acesso é garantido alocando uma frequência de portadora por usuário. Será necessário aumentar o número de usuários conectados à mesma estação rádio base. No entanto todas as frequências de canais de comunicação já estão sendo alocadas e não existem margens entre os canais no domínio da frequência. Aumentar a banda total ocupada por esse sistema não é uma opção. Considerando este problema, indique a alternativa correta.
Provas
Com relação aos conceitos básicos de comunicação via satélite, considere as afirmativas a seguir.
1. A vida útil de um satélite é determinada pelo desvio máximo tolerável em sua órbita, desvio este que é corrigido por foguetes propulsores. Desta forma, na prática, a quantidade de combustível disponível é um dos principais fatores para determinar o tempo de vida útil do satélite.
2. O sinal retransmitido pelo satélite não é polarizado, o que amplia a região de cobertura e reduz os efeitos do desvanecimento do sinal ao atravessar a ionosfera da Terra.
3. O espaço imaginário criado pela projeção do país em uma órbita circular de 36.000 Km é considerado de uso exclusivo desse país, que tem controle sobre o uso do espectro de frequências nesse espaço.
4. Devido à sua órbita distante, satélites geoestacionários de telecomunicações são afetados pelo cinturão de Van Allen. Isto ocorre devido às concentrações de partículas do campo magnético terrestre, o que obriga o uso de antenas omnidirecionais no satélite para ampliar a área de cobertura.
Assinale a alternativa correta.
Provas
Caderno Container