Foram encontradas 145 questões.
A figura a seguir mostra o enrolamento do estator simplificado de uma máquina síncrona e de indução trifásica de dois pólos e o gráfico das correntes instantâneas em condições de equilíbrio trifásico.

As assertivas a seguir estão corretas, exceto:
Provas

As figuras (a) e (b) acima mostram as estruturas construtivas típicas de duas máquinas elétricas rotativas. De acordo com os itens abaixo, tais estruturas típicas podem ser mais identificadas, respectivamente, pelo item:
Provas
Um típico ensaio de laboratório realizado em transformadores é o “ensaio a vazio”, que permite determinar algumas grandezas e parâmetros inerentes, e características peculiares construtivas e de manutenção de transformadores. Em relação ao “ensaio a vazio” em transformadores trifásicos é correto afirmar:
Provas
Em muitas situações, devido às características da rede elétrica, a partida direta de um motor de indução trifásico (MIT) não é possível. Nesses casos a forma utilizada é a partida do motor com tensão reduzida. Um dos métodos mais eficientes e mais amplamente empregado é a partida do motor com a utilização da chave estrela-triângulo automática: na partida os enrolamentos do motor são ligados em Y e quando a velocidade de operação é praticamente atingida, a conexão é alterada para Δ. O esquema das conexões é apresentado na figura a seguir.

Em relação à chave estrela-triângulo automática utilizada durante a partida do MIT, pode-se afirmar:
I – A corrente é reduzida para 33,3% da corrente inicialmente exigida pelo MIT na partida direta;
II – O conjugado de partida é aumentado de 33,3% do conjugado normal de operação;
III – O conjugado de partida é reduzido para 33,3% do conjugado normal de operação;
IV – O fechamento para o triângulo somente deve ser feito quando o motor atingir no mínimo 66,6% da rotação nominal;
Provas
Um motor de indução trifásico de 6 pólos opera com velocidade de 992 rpm em 60Hz. Portanto, a frequência elétrica da corrente que circula no rotor do motor deve ser igual a:
Provas
O choque indutivo é um problema recorrente na comutação de máquinas de corrente contínua devido à ocorrência de tensões !$ L { \large di \over dt} !$ nos segmentos do comutador que estão desligados das escovas. Assinale o item a seguir que está relacionado ao recurso utilizado para se atenuar tal problema em máquinas de corrente contínua.
Provas

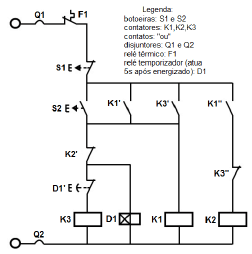
A figura acima apresenta um típico diagrama de comando utilizado na partida de um motor de indução trifásico. Considere que os contatores K1, K2 e K3 sejam normalmente abertos e que os dispositivos de proteção estejam funcionando corretamente. Em relação ao diagrama apresentado, pode-se afirmar, exceto que:
Provas
Um sistema de transformação de tensão é constituído por um banco de transformadores monofásicos. Cada um dos transformadores apresenta a seguinte especificação: tensão nominal primária 13,8 kV e tensão nominal secundária 138,0 kV, potência nominal 250,0 MVA e reatância de curto-circuito é 4,5 %. Considerando a ligação com o primário em delta e a ligação com o secundário em estrela, pode-se afirmar que a tensão nominal entre fases no secundário, a reatância de curto-circuito e a potência nominal do sistema trifásico obtidas serão, respectivamente:
Provas
Na figura abaixo, há um trecho de uma planta onde se destaca parte da simbologia utilizada em projetos de instalações elétricas. Analisando este trecho, pode-se afirmar que:

Provas
Considere um transformador trifásico de 250MVA, 138kV/440kV, com uma reatância de dispersão de 10%. Supondo que os valores base do sistema no lado de maior tensão sejam 500kV e 100MVA. A reatância do transformador em “p. u.” (por unidade) na base do sistema será aproximadamente:
Provas
Caderno Container