Foram encontradas 304 questões.
Em um programa escrito na linguagem PHP, toda variável passada como parâmetro para uma função não tem seu valor alterado fora do escopo desta. Qual é a sintaxe utilizada para forçar a variável passada como parâmetro a ser atualizada fora do escopo da função durante sua execução?
Provas
Comparativamente à hidráulica, a pneumática é sem dúvida o elemento mais simples, de maior rendimento e de menor custo que pode ser utilizado na solução de muitos problemas de automatização. Assinale a alternativa em que a pneumática não é mais vantajosa:
Provas
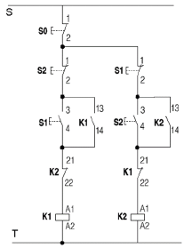
Observe o circuito de comando da figura abaixo e assinale a alternativa que define uma aplicação para partida de motor elétrico.

Provas
Assinale a alternativa que não faz parte dos circuitos auxiliares que atuam em caso de falha do CLP.
Provas
Qual a função de um circuito demultiplexador?
Provas
Qual a velocidade síncrona de um motor de indução com dois pares de polos, ligado a uma rede 220 V, 60 Hz?
Provas
A relação entre a potência transmitida ao eixo e a potência entregue ao motor de indução trifásico é definida por:
Provas
Assinale a alternativa que corresponde à figura abaixo.
Provas
Assinale a alternativa que representa corretamente o número 223 (decimal), nos formatos binário e hexadecimal respectivamente.
Provas
Uma máquina tem suas causas de falhas monitoradas e sua evolução acompanhada podendo assim saber quando intervir. Assinale a alternativa que corresponde ao tipo de manutenção descrito acima.
Provas
Caderno Container