Foram encontradas 50 questões.
Assinale a alternativa em que todas as palavras estão grafadas corretamente, conforme o novo acordo ortográfico:
Provas
Questão presente nas seguintes provas
No que diz respeito ao dispositivo Diferencial Residual (DR), avalie as afirmativas a seguir:
I – Trata-se de um dispositivo de proteção que atua na presença de correntes de fuga superiores ao seu limiar de operação.
II – Dispositivos DR de alta sensibilidade são utilizados em proteções contra incêndio.
III – Para esquemas TT, caso haja apenas um dispositivo de proteção, este deve ser localizado na origem da instalação, como proteção geral.
Estão corretas as afirmativas:
Provas
Questão presente nas seguintes provas

O esquema apresentado faz parte de uma:
Provas
Questão presente nas seguintes provas

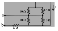
A resistência equivalente entre os pontos a e b é:
Provas
Questão presente nas seguintes provas
Segundo a NBR 5410, o limite de queda de tensão de instalações alimentadas diretamente por um ramal de baixa tensão, a partir de uma rede de distribuição pública é de:
Provas
Questão presente nas seguintes provas
Em projetos de instalações elétricas de baixa tensão, raramente se utilizam todos os pontos de consumo (luz e tomadas) ao mesmo tempo e, por esta razão, aplica-se o fator de demanda para determinar a potência realmente utilizada. Sabendo que, para ambientes comerciais, o fator de demanda (Fd) é de 80% e que para um dado estabelecimento tem-se uma potência total instalada de 20 kW, a potência utilizada em Watts é de:
Provas
Questão presente nas seguintes provas

Para a montagem do circuito são necessários para o devido funcionamento da chave:
Provas
Questão presente nas seguintes provas
O fusível tipo D é bastante utilizado em residências ou indústrias. É indicado para correntes nominais de 2 a 63 A.
NÃO é elemento constituinte do fusível tipo D:
Provas
Questão presente nas seguintes provas
Segundo a NBR 5444, os símbolos abaixo representam, respectivamente:
Provas
Questão presente nas seguintes provas
No que diz respeito ao aterramento, a NBR 5410 estabelece que, quando o mesmo não for praticável pelas fundações, deve-se:
Provas
Questão presente nas seguintes provas
Cadernos
Caderno Container