Magna Concursos

Foram encontradas 50 questões.

2896716 Ano: 2023
Disciplina: Engenharia Elétrica
Banca: VUNESP
Orgão: UNICAMP
Provas:

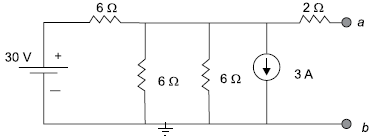
Observe a imagem a seguir.

Enunciado 3161136-1

O circuito elétrico mostrado na imagem, visto dos pontos a e b, pode ser representado, por um equivalente de Norton com os seguintes componentes:

 

Provas

Questão presente nas seguintes provas
2896715 Ano: 2023
Disciplina: Engenharia Elétrica
Banca: VUNESP
Orgão: UNICAMP
Provas:

Para que um circuito elétrico seja representado por seu equivalente de Thévenin, é necessário que

 

Provas

Questão presente nas seguintes provas
2896714 Ano: 2023
Disciplina: Engenharia Elétrica
Banca: VUNESP
Orgão: UNICAMP
Provas:

Observe os símbolos a seguir.

Enunciado 3161132-1

Assinale a alternativa que apresenta, correta e respectivamente, o significado desses símbolos, de acordo com Padrão Ladder IEC 61131-3.

 

Provas

Questão presente nas seguintes provas
2896713 Ano: 2023
Disciplina: Engenharia Elétrica
Banca: VUNESP
Orgão: UNICAMP
Provas:

Os tiristores convencionais (SCRs) são bastante utilizados em retificadores controlados devido às seguintes características:

 

Provas

Questão presente nas seguintes provas
2896712 Ano: 2023
Disciplina: Engenharia Elétrica
Banca: VUNESP
Orgão: UNICAMP
Provas:

Um circuito elétrico composto apenas por resistores e fontes de tensão alternada é representado por duas malhas. Para este circuito, foram calculadas as correntes de malha no valor de I= 10 A e II= 6 A, ambas no sentido horário. Sabendo que o ramo central é formado por uma fonte de tensão de 5 V em série com um resistor de 1 Ohm, qual é o máximo valor possível para a tensão total no ramo central?

 

Provas

Questão presente nas seguintes provas
2896711 Ano: 2023
Disciplina: Engenharia Elétrica
Banca: VUNESP
Orgão: UNICAMP
Provas:

Na análise nodal de circuitos elétricos, é utilizado o seguinte princípio para a solução:

 

Provas

Questão presente nas seguintes provas
2896710 Ano: 2023
Disciplina: Engenharia Elétrica
Banca: VUNESP
Orgão: UNICAMP
Provas:

Um circuito elétrico é representado por seu equivalente de Thévenin através de uma fonte de tensão de 100 V e de uma resistência de 50 !$ \Omega !$. O mesmo circuito elétrico poderá ter seu equivalente de Norton representado por uma fonte de

 

Provas

Questão presente nas seguintes provas
2896709 Ano: 2023
Disciplina: Engenharia Elétrica
Banca: VUNESP
Orgão: UNICAMP
Provas:

Um retificador monofásico de onda completa em ponte alimenta um motor de corrente contínua. Considerando que a força eletromotriz (fem) do motor é representada por uma bateria de tensão constante e os enrolamentos do motor são representados por uma impedância RL, é correto afirmar que

 

Provas

Questão presente nas seguintes provas
2896708 Ano: 2023
Disciplina: Engenharia Elétrica
Banca: VUNESP
Orgão: UNICAMP
Provas:

Um circuito elétrico composto por um resistor, um indutor e um capacitor, ligados em série, é excitado por uma fonte de tensão alternada e se encontra em regime permanente. Se a reatância indutiva e a reatância capacitiva forem iguais em módulo,

 

Provas

Questão presente nas seguintes provas
2896707 Ano: 2023
Disciplina: Engenharia Elétrica
Banca: VUNESP
Orgão: UNICAMP
Provas:

Observando o circuito a seguir.

Enunciado 3161119-1

Quando se utiliza o método das tensões de nó na solução de circuitos elétricos, os nós a e b poderiam ser tratados como um supernó se:

 

Provas

Questão presente nas seguintes provas