Foram encontradas 1.215 questões.
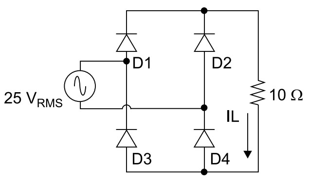
Considere o circuito retificador de onda completa mostrado na figura a seguir, em que os diodos D1 a D4 são de silício:

O valor médio da corrente IL é, aproximadamente, igual a
Provas
Considere o circuito retificador de meia-onda mostrado na figura a seguir, em que o diodo D1 é ideal:

O valor médio da tensão sobre o resistor de 20 Ω é, aproximadamente, igual a
Provas
São condições necessárias para que ocorra a condução de corrente em um diodo semicondutor de silício em polarização direta:
Provas
No processo de produção e construção de dispositivos semicondutores, uma das formas de dopagem é realizada com a introdução de impurezas trivalentes a um semicondutor intrínseco.
Nesse caso, o número de elétrons da camada de valência da impureza introduzida, o tipo de material dopado obtido e o portador majoritário de cargas criado nesse material são, respectivamente,
Provas
Considere a associação de resistores mostrada na figura a seguir:

O valor de resistência ôhmica equivalente entre os pontos A e B é
Provas
Considere o circuito resistivo mostrado na figura a seguir:

O valor de Rx conectado entre os pontos A e B do circuito que faz com que o resistor de 36 Ω dissipe 576 W é
Provas
A norma técnica brasileira que estabelece as condições a que devem satisfazer as instalações elétricas de baixa tensão, a fim de garantir o seu funcionamento adequado, a segurança de pessoas e de animais domésticos e a conservação dos bens, é a
Provas
O uso de dispositivos de eletrônica em sistemas de controle e automação tem se intensificado à medida que os semicondutores passam por evoluções que os tornam mais rápidos e eficientes.
O dispositivo baseado em eletrônica de potência empregado no acionamento de motores de indução trifásicos permitindo a operação com controle de velocidade e conjugado é o
Provas
Um microprocessador utilizado na composição de um sistema microprocessado tem 16 linhas de endereço e 8 linhas de dados. A memória ROM flash é composta de 2 chips de 8 kilobytes cada.
Sabendo que a memória RAM é composta de chips de 2 kilobytes cada, a quantidade de chips que completa a totalidade da memória naturalmente endereçável pelo microprocessador é igual a
Provas
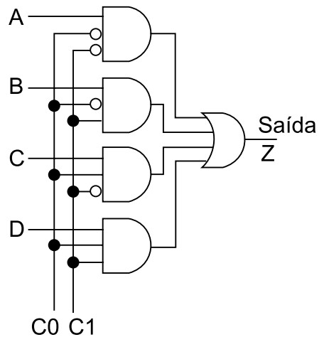
Considere o circuito de eletrônica digital mostrado na figura a seguir:

Trata-se de um
Provas
Caderno Container