Magna Concursos

Foram encontradas 1.968 questões.

2895237 Ano: 2022
Disciplina: Engenharia Elétrica
Banca: IADES
Orgão: UNDF

Com relação aos dispositivos de seccionamento, de proteção e de aterramento de instalações elétricas, assinale a alternativa correta.

 

Provas

Questão presente nas seguintes provas
2895236 Ano: 2022
Disciplina: Engenharia Elétrica
Banca: IADES
Orgão: UNDF

A respeito dos conceitos de potência e correção do fator de potência em circuitos de corrente alternada, assinale a alternativa correta.

 

Provas

Questão presente nas seguintes provas
2895235 Ano: 2022
Disciplina: Engenharia Elétrica
Banca: IADES
Orgão: UNDF

A carga em um sistema trifásico conectado em estrela com tensão de linha de 220 V consiste em três resistores com resistência 6 !$ Ω !$, conectados também em estrela, em paralelo com três resistências de 9 !$ Ω !$ conectadas em triângulo. Caso se arredonde (220/!$ \surd !$3) para 127, a magnitude das correntes de linha será

 

Provas

Questão presente nas seguintes provas
2895234 Ano: 2022
Disciplina: Engenharia Elétrica
Banca: IADES
Orgão: UNDF

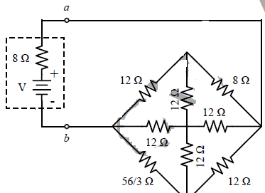
Enunciado 3023874-1

Acervo pessoal

Sabendo que o circuito elétrico dessa figura opera com eficiência de 50% de transferência de potência da fonte para a carga, assinale a alternativa que corresponde à resistência equivalente vista pelos terminais !$ a !$ e !$ b !$ da fonte.

 

Provas

Questão presente nas seguintes provas
2895233 Ano: 2022
Disciplina: Engenharia Elétrica
Banca: IADES
Orgão: UNDF

Acerca do comportamento dos materiais condutores, assinale a alternativa correta.

 

Provas

Questão presente nas seguintes provas
2895232 Ano: 2022
Disciplina: Engenharia Elétrica
Banca: IADES
Orgão: UNDF

Acerca dos conceitos de inovação incremental e de inovação radical ou disruptiva, assinale a alternativa correta.

 

Provas

Questão presente nas seguintes provas
2895231 Ano: 2022
Disciplina: Engenharia Elétrica
Banca: IADES
Orgão: UNDF

Segundo o Balanço Energético Nacional 2022, ano base 2021, acerca dos estudos de aproveitamento de fontes renováveis e da eficiência energética no Brasil, assinale a alternativa correta.

 

Provas

Questão presente nas seguintes provas
2895230 Ano: 2022
Disciplina: Engenharia Elétrica
Banca: IADES
Orgão: UNDF

Os ensaios realizados em um transformador visam determinar os parâmetros do circuito equivalente do seu modelo real, os quais representam as perdas que ocorrem nessa máquina elétrica. Acerca desse assunto, assinale a alternativa correta.

 

Provas

Questão presente nas seguintes provas
2895229 Ano: 2022
Disciplina: Engenharia Elétrica
Banca: IADES
Orgão: UNDF

Em relação ao estudo em regime permanente dos geradores síncronos de usinas hidrelétricas e termelétricas, conectadas ao sistema elétrico, assinale a alternativa correta.

 

Provas

Questão presente nas seguintes provas
2895228 Ano: 2022
Disciplina: Engenharia Elétrica
Banca: IADES
Orgão: UNDF

A respeito de proteção de sistemas elétricos, de distúrbios e de qualidade da energia elétrica, assinale a assertiva correta.

 

Provas

Questão presente nas seguintes provas