Foram encontradas 120 questões.
Em relação à teoria eletromagnética, julgue o item a seguir.
Se um condutor elétrico conduzindo uma corrente elétrica estiver imerso em um campo magnético caracterizado por determinado vetor densidade de fluxo magnético, então, nessa situação, sobre esse condutor surgirá uma força mecânica induzida cuja direção será dada pela direção do vetor densidade de fluxo magnético.
Provas
Em relação à teoria eletromagnética, julgue o item a seguir.
Para um circuito magnético série, o fluxo magnético total dependerá inversamente do valor da relutância magnética de certo trecho do circuito, ao se considerar a força magneto-motriz ao longo desse mesmo trecho.
Provas
Em relação à teoria eletromagnética, julgue o item a seguir.
O fluxo externo líquido do vetor densidade de fluxo elétrico (ou vetor deslocamento) através de uma superfície fechada é sempre nulo.
Provas

A partir do circuito precedente, julgue o item subsequente.
Caso a tensão de saída seja VR1 (t), o circuito se comportará como um filtro passa-alta de primeira ordem.
Provas

A partir do circuito precedente, julgue o item subsequente.
Considerando-se condições iniciais nulas, se, em t = 0 s, a tensão V1(t) for um degrau com amplitude de 100 V, a tensão VR1 (t) atingirá um valor menor que 65 V em t = 100 ms.
Provas

A partir do circuito precedente, julgue o item subsequente.
Se o circuito estiver em regime permanente senoidal, em que V1 = 100 ∠0° Vrms e frequência 10 rad/s, a tensão no resistor R1 será representada pelo fasor cujo ângulo é igual a +45°.
Provas

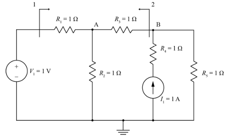
Com base no circuito precedente, julgue o item subsequente.
Em relação ao nó de referência, a tensão no nó B é igual a 1 V.
Provas

Com base no circuito precedente, julgue o item subsequente.
A corrente que percorre o resistor R2 vale 0,6 A.
Provas

Com base no circuito precedente, julgue o item subsequente.
Se o trecho de circuito composto por R1, R2 e R3 for representado como um quadripolo confinado entre as setas 1 e 2, caracterizado por parâmetros de impedância, então a impedância z11 desse quadripolo equivalerá a 1 Ω.
Provas

Com base no circuito precedente, julgue o item subsequente.
O circuito equivalente de Thévenin à esquerda do nó B, conforme indicado pela seta 2 na figura, apresenta tensão e resistência iguais a 0,5 V e 1,5 Ω.
Provas
Caderno Container