Foram encontradas 40 questões.
A fonte senoidal do circuito abaixo possui tensão eficaz de 100 V e a frequência do sinal é de 60 HZ.

Considerando π= 3,14, a impedância deste circuito é:
Provas
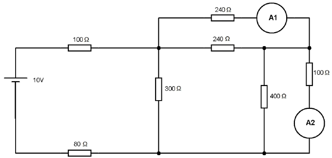
Considere o circuito de corrente contínua abaixo:

As correntes que passam pelos amperímetros A1 e A2 são, respectivamente:
Provas
Em um sistema trifásico equilibrado de tensão nominal 4160 V, a corrente de linha (IL) medida é 50 A. Conectando a esse sistema uma carga trifásica composta de três cargas iguais ligadas em triângulo, a corrente em cada uma das cargas será de:
Provas
Um motor de indução trifásico com rotor gaiola de 220 V, 5 kW, fator de potência 0,9 e rendimento 0,8 opera com corrente nominal de, aproximadamente:
Provas
Um motor monofásico de 5 HP (considere 1 HP = 745 W) está conectado a uma fonte de 220 V, e possui um fator de potência 0,8 atrasado e um rendimento de 90%. O valor da corrente elétrica requerida da fonte, em ampères, é aproximadamente de:
Provas
Com relação aos motores elétricos de indução trifásicos com partida direta, é INCORRETO afirmar:
Provas
Um transformador ideal cuja relação de espiras N1/N2 é 10:1 tem ligado no seu secundário uma carga R2 + jX2 igual a 2+4j.

Considerando uma tensão eficaz de 220 V e aplicando um curto circuito como o apresentado na figura acima, é CORRETO afirmar que a corrente de curto circuito do secundário é:
Provas
Um motor de corrente contínua, com excitação independente, de 17 kW de potência e tensão de 127 V, opera com velocidade constante de 2800 rpm, mantendo uma corrente de campo constante que resulta na tensão de armadura em circuito aberto de 127 V. Sabendo-se que a tensão do terminal é de 130 V e a resistência de armadura é 0,03 Ω, é CORRETO afirmar que a corrente de armadura será de:
Provas
Um transformador de 350 Kva está operando a plena carga com fator de potência de 0,7 atrasado. Para melhorar esse fator de potência, são acrescidos bancos de capacitores até que o novo fator de potência seja de 0,85 atrasado. O valor da potência reativa dos bancos de capacitores que foram utilizados para realizar essa correção do fator de potência é:
Provas
Para representar a ligação de comandos elétricos, são utilizados os diagramas trifilares e os de comando. Os dois diagramas, representados a seguir, correspondem ao acionamento e ao comando de um motor elétrico de indução com rotor em gaiola.

O método de partida de um motor elétrico de indução com rotor em gaiola, apresentado nos diagramas acima, é do tipo:
Provas
Caderno Container