Foram encontradas 40 questões.
Nos sistemas de informática, o nobreak é um equipamento de grande importância por
Provas
O componente de um computador pessoal destinado a armazenar programas e dados de maneira não volátil é conhecido como
Provas
As duas mais recentes gerações da porta USB são denominadas de USB2.0 e USB3.0. Baseando-se nessa informação, assinale a alternativa que apresenta a taxa de transferência máxima teórica (taxa da interface).
Provas
Considere a figura abaixo.

Em relação ao decodificador mostrado acima, assinale a alternativa correta.
Provas
O barramento do sistema em uma placa-mãe define o padrão de conexão entre os pinos do processador e os circuitos da placa. A partir dessa informação, qual cuidado um profissional de TI deverá ter antes de adquirir um processador para essa placa?
Provas
No circuito esquematizado abaixo, o transistor com β = 100 deve operar como uma chave, acendendo a lâmpada quando a tensão da base for VB = 5 V, e apagando, quando for VB = 0 V. A corrente da base não pode ser maior do que 1,0 mA e a do coletor não pode exceder 30 mA.
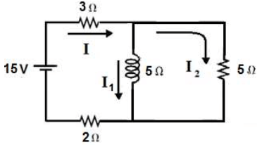
A respeito do circuito apresentado abaixo, assinale a alternativa correta.

Provas
Assinale a alternativa que apresenta a representação binária do número decimal 29.
Provas
Considerando-se a figura a seguir, assinale a afirmativa correta.

Provas
Com relação à polarização do diodo, assinale a alternativa correta.
Provas
No circuito apresentado a seguir, assinale a afirmativa correta.

Provas
Caderno Container