Foram encontradas 168 questões.
Considere a figura a seguir.

A figura apresenta placa de perfuração
Provas
A figura 54, a seguir, é do lenho de uma gimnosperma, e a figura 120 é uma angiosperma. Raios podem ser homogêneos ou heterogêneos.

Com base nos raios expostos nas figuras, assinale a alternativa correta.
Provas
Considere as figuras a seguir.

Com base nas figuras, assinale a alternativa correta.
Provas
Considere a figura a seguir.

Identifique os planos anatômicos que correspondem aos números 4, 6 e 8 da figura acima.
Provas
Considere a figura a seguir.

Identifique corretamente os planos anatômicos da figura.
Provas
Considere a figura a seguir.

Qual estrutura está sendo evidenciada pela seta na figura?
Provas

Em relação a figura, assinale a alternativa INCORRETA.
Provas
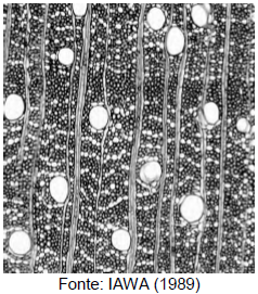
Considere a figura a seguir.

Em relação aos vasos presentes na figura, assinale a alternativa correta.
Provas
A figura a seguir é do lenho de uma gimnosperma.

Qual é o plano observado e o que são os pontos escuros distribuídos na imagem?
Provas
Considere a figura a seguir.

Qual é o plano anatômico observado e qual é a estrutura apontada pela seta na imagem?
Provas
Caderno Container