Foram encontradas 50 questões.
A figura abaixo representa diagramas de comando e força, que correspondem a um determinado método de partida de motores.

O método de partida correspondente aos diagramas acima é
Provas
A figura abaixo representa um motor de indução monofásico que pode ser utilizado em uma rede de alimentação de 220/380 Volts.

Em relação ao funcionamento do motor de indução monofásico, representado na figura acima, assinale a alternativa INCORRETA.
Provas

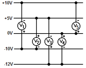
Cinco voltímetros foram conectados aos terminais de uma fonte de alimentação, conforme representado na figura acima. Levando-se em conta as polaridades das tensões das linhas e as polaridades dos voltímetros, as tensões medidas por V1, V2, V3, V4 e V5 são, respectivamente,
Provas
Um voltímetro construído com um galvanômetro, que possui fundo de escala de 20 mA, apresenta uma resistência de 2K\( \Omega \). O valor da tensão de fundo de escala medida com este voltímetro é de
Provas

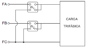
A figura acima representa o esquema de ligação para a medição de potência ativa total de um sistema trifásico, utilizando o método dos dois wattímetros. Ao fazer a medição, constatou-se que o wattímetro W1 indicava um valor positivo, e o wattímetro W2 indicava um valor negativo. Com base nessa medição, pode-se afirmar que:
Provas
A figura a seguir representa um osciloscópio ajustado para 2V/DIV e 100μs/DIV, em que se observa o sinal abaixo.

Com base nessa representação, pode-se afirmar que sua frequência e amplitude pico a pico são, respectivamente,
Provas
Um gerador síncrono é acionado por uma turbina que gira a 6.000 rpm. Considerando que o gerador possui 4 polos, assinale a alternativa que apresenta o valor da frequência (FG) da tensão induzida na saída do gerador.
Provas
Como regra geral, a NBR 5410 estabelece que as cargas de iluminação devem ser determinadas como resultado da aplicação da NBR 5413: Iluminância de interiores – Procedimento. Como alternativa ao uso da NBR 5413 e, especificamente em unidades residenciais, a NBR 5410 apresenta um critério alternativo de previsão de carga de iluminação para cada cômodo ou dependência. De acordo com este critério, a previsão de carga de iluminação para um cômodo (de um apartamento) que possui uma área de 20m2 deve ser de:
Provas
Em geral as lâmpadas são classificadas de acordo com o seu mecanismo básico de produção de luz. Em relação a esse mecanismo de produção de luz das lâmpadas, assinale a alternativa INCORRETA.
Provas
A potência de radiação total emitida por uma fonte de luz, em todas as direções do espaço, e capaz de produzir uma sensação de luminosidade, através do estímulo da retina ocular, é definida como:
Provas
Caderno Container