Foram encontradas 40 questões.
Os circuitos são considerados em baixa tensão quando o nível da tensão vai de:
Provas
Um forno elétrico tem potência de 1,5 kWatts. Se este forno ficar ligado por 2 horas, qual o custo para o proprietário se o preço do kWatt x hora é de R$ 0,50?
Provas
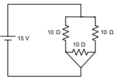
No circuito representado a seguir, qual a corrente fornecida pela fonte de 15 Volts?

Provas
A figura esquematizada a seguir representa uma carga trifásica ligada em triângulo. O equivalente estrela desta carga trifásica é:

Provas
Sobre os motores do tipo universal, é INCORRETO afirmar que:
Provas
A posição da chave no chuveiro residencial determina a temperatura da água. Portanto, é correto afirmar que:
Provas
No circuito esquematizado a seguir, o valor da corrente I é de 2 A, então a tensão alternada na fonte é:

Provas
Sobre os motores de corrente contínua, é correto afirmar que:
Provas
Sobre os motores monofásicos de indução, é correto afirmar que:
Provas
Observe os enunciados abaixo referentes a um motor de indução trifásico de 6 terminais 220/380V, 60 Hz, com velocidade nominal de 1750 rpm, a plena carga.
I - O motor é de 4 polos.
II - Para operar em 380V, deve ser ligado em estrela.
III - Se ligado em 50 Hz, sua velocidade será menor.
IV - A vazio, seu fator de potência é alto.
V - Sai da condição de repouso se ligado somente em duas fases.
Assinale a alternativa correta.
Provas
Caderno Container