Foram encontradas 480 questões.
Temperabilidade é uma medida da profundidade até a qual uma liga ferrosa específica pode ser endurecida pela formação de martensita, devido à têmpera a partir de uma temperatura acima da temperatura crítica superior. Um método muito importante foi estabelecido para a medida e a quantificação da temperabilidade dos aços.
A esse respeito, assinale a alternativa CORRETA.
Provas
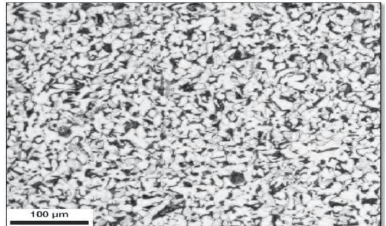
A figura a seguir mostra a seção transversal de um aço ao carbono ABNT 1015 que passou por um tratamento térmico de normalização. Essa amostra foi atacada com Nital 2%. Quais os microconstituintes e/ou fases que podem ser identificadas?

Provas
Tratar termicamente os aços consiste em um conjunto de operações que envolvem o aquecimento, a manutenção em uma temperatura e por um dado tempo e o resfriamento em um meio adequado, de modo a adquirir as propriedades desejadas.
As alternativas a seguir apresentam alguns dos principais tratamentos térmicos em aços.
Analise-as e assinale a alternativa INCORRETA.
Provas
Aços inoxidáveis são ligas de aços altamente resistentes à corrosão em diversos ambientes.
Qual elemento de liga permite a formação de um óxido quando o aço é exposto em atmosfera contendo oxigênio, sendo o principal responsável por torná-lo inoxidável?
Provas
Encruamento refere-se ao aumento da resistência mecânica e da dureza com a deformação plástica de uma liga, por meio de:
Provas
Alguns elementos, quando dissolvidos no ferro, tendem a estabilizar a estrutura cúbica de face centrada (CFC) em relação à estrutura cúbica de corpo centrado (CCC).
Sobre os principais elementos estabilizadores da austenita, assinale a alternativa INCORRETA.
Provas
Sobre a definição de aços-carbono, assinale a alternativa CORRETA.
Provas
A técnica de preparação de amostras de aços-carbono para a realização de ensaios micrográficos em microscópio ótico envolve, dentre outras etapas, o ataque da superfície por um reagente químico adequado.
Qual dos seguintes reagentes é normalmente empregado para a análise micrográfica desses materiais?
Provas
Analise estas imagens de dois tipos distintos de ferro fundido,obtidas a partir da utilização de um microscópio ótico.

Fonte: Metalografia dos produtos siderúrgicos comuns, Colpaert H., Ed. Blucher
As figuras 1 e 2 representam, respectivamente, os materiais:
Provas
Sobre liga hipoeutética, assinale a alternativa CORRETA.
Provas
Caderno Container