Magna Concursos

Foram encontradas 1.568 questões.

2286604 Ano: 2014
Disciplina: Engenharia Mecânica
Banca: UFSCAR
Orgão: UFSCAR

Uma indústria possui motores com potência total de 120 kVA e cos !$ θ !$ = 0,6. A tensão efetiva é de 380V. Assinale a alternativa correta, que apresenta os resultados para os cálculosI) do novo fator de potência desta instalação, após a instalação de capacitores de 65 KVAr e da corrente total circulando pelo circuito e II) do novo fator de potência desta instalação, após a substituição de um forno a combustível por um forno elétrico de 60 kW e da corrente total circulando neste circuito nesta nova situação.

 

Provas

Questão presente nas seguintes provas
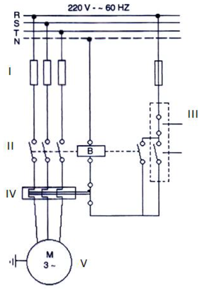
2286603 Ano: 2014
Disciplina: Engenharia Mecânica
Banca: UFSCAR
Orgão: UFSCAR

Identifique, na figura a seguir, os seguintes componentes deste circuito elétrico: motor elétrico, relés térmicos, fusíveis, botoeira e contator, respectivamente:

Enunciado 2957940-1

 

Provas

Questão presente nas seguintes provas
2286602 Ano: 2014
Disciplina: Engenharia Mecânica
Banca: UFSCAR
Orgão: UFSCAR

Assinale alternativa incorreta sobre as causas e prevenção de queda de tensão e de incêndio de origem elétrica:

 

Provas

Questão presente nas seguintes provas
2286601 Ano: 2014
Disciplina: Engenharia Mecânica
Banca: UFSCAR
Orgão: UFSCAR

Assinale a alternativa que apresenta os equipamentos necessários para medida de tensão elétrica, corrente elétrica, potência elétrica e pressão de fluídos em tubulações, respectivamente.

 

Provas

Questão presente nas seguintes provas
2286600 Ano: 2014
Disciplina: Engenharia Mecânica
Banca: UFSCAR
Orgão: UFSCAR

A leitura da espessura de um corpo de prova para um ensaio de flexão foi feita com um micrômetro e está representada na seguinte figura. Assinale a alternativa correta.

Enunciado 2957937-1

 

Provas

Questão presente nas seguintes provas
2286599 Ano: 2014
Disciplina: Engenharia Mecânica
Banca: UFSCAR
Orgão: UFSCAR

A leitura da espessura de uma peça injetada de material plástico com um paquímetro está indicada na figura a seguir. Assinale a alternativa correta.

Enunciado 2957936-1

 

Provas

Questão presente nas seguintes provas
2286598 Ano: 2014
Disciplina: Engenharia Mecânica
Banca: UFSCAR
Orgão: UFSCAR

Identifique os instrumentos de medida a serem utilizados rotineiramente na instalação e manutenção de equipamentos, da esquerda para a direita:

Enunciado 2957935-1

 

Provas

Questão presente nas seguintes provas

Uma máquina extrusora contém em seu manual de segurança e em sua carcaça alguns sinais relativos à segurança durante operação, manutenção e limpeza, conforme figura a seguir. Identifique a alternativa que melhor descreve o significado destes sinais na ordem em que aparecem:

Enunciado 2957934-1

 

Provas

Questão presente nas seguintes provas

Constituem práticas ruins de segurança e utilização de máquinas injetoras e extrusoras de plásticos:

 

Provas

Questão presente nas seguintes provas

Não constitui boa prática de segurança num laboratório de química de polímeros o seguinte item:

 

Provas

Questão presente nas seguintes provas