Foram encontradas 760 questões.
Os aditivos utilizados em concreto destinam-se a modificar as propriedades da mistura no estado fresco e/ou endurecido. A quantidade de aditivo utilizada no concreto é geralmente calculada a partir do
Provas
Para dimensionar a armadura longitudinal de uma seção de concreto armado submetida a flexão simples, um engenheiro utiliza as simplificações previstas em norma e a formulação do equilíbrio da seção, tal como descrito na figura abaixo.

Suponha que as dimensões da seção bw e h e a altura útil d sejam conhecidas, bem como as resistências de cálculo dos materiais f cd e fyd, dado um momento de cálculo Md. Utilizando uma única equação, a profundidade x da linha neutra pode ser diretamente obtida
Provas
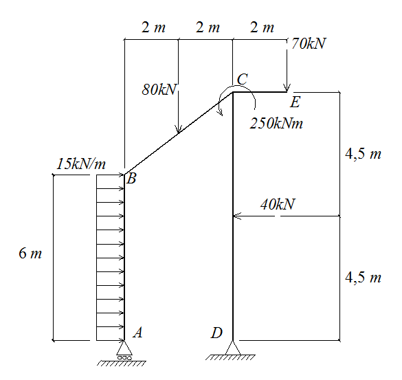
A figura abaixo representa um pórtico plano isostático

Ao realizar o cálculo do momento fletor para esse pórtico o engenheiro calculista conclui que o valor do momento fletor na seção C da barra BC da estrutura possui um módulo de:
Provas
Uma viga AB, engastada em A e submetida a uma taxa de carregamento transversal linear de ordenada máxima q, encontra-se suspensa por um cabo na seção B, conforme ilustrado na figura abaixo.

O comprimento da viga AB é l, e sua rigidez flexional é constante e vale EI z. O cabo apresenta comprimento h, e sua rigidez axial é constante e de valor EA. Para determinar as reações de apoio e os esforços internos solicitantes, um engenheiro estrutural utilizou os dados referentes aos deslocamentos transversais v(x) de uma viga engastada e livre, descritos no quadro abaixo.

Após realizar os cálculos, o engenheiro conclui corretamente que o módulo do esforço cortante da viga AB na seção B é dado por:
Provas
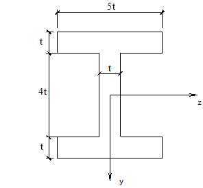
Um engenheiro necessita determinar a distribuição da componente de tensão de cisalhamento na seção transversal reta de uma viga. Nesse contexto, use como parâmetro a figura abaixo.

Considerando essa figura, ao dimensionar uma viga com seção transversal reta I, com as dimensões relativas à espessura da alma t e utilizando como simplificação a hipótese das seções planas, o engenheiro conclui que a componente de tensão de cisalhamento na seção transversal apresenta um comportamento que varia
Provas
Considere a situação descrita abaixo.
Usuário com diagnóstico de transtorno afetivo bipolar, apresentando um episódio agudamente maníaco com estado grave de agitação, comparece à unidade de saúde, acompanhado da genitora, em busca do médico que o acompanha. O médico encontra -se de férias, e eles são acolhidos pela equipe de enfermagem da unidade.
Nesse caso, a conduta mais adequada deve ser:
Provas
O desconforto respiratório é o nome adotado para a disfunção respiratória de recémnascidos, sendo primariamente uma doença relacionada ao atraso no desenvolvimento da maturação pulmonar (Hockenberg, 2014). O termo síndrome do desconforto respiratório (SDR) é frequentemente aplicado a essa grave disfunção pulmonar que é responsável por mais mortes e complicações respiratórias e neurológicas nos recém -nascidos. Em relação à SDR em recém-nascidos, analise as afirmativas abaixo.
I O tratamento da SDR baseia-se no estabelecimento imediato da oxigenação, ventilação e cuidados de suporte adequados, voltando-se, ainda, às medidas necessárias a todos os recém-nascidos pré-termo.
II A alimentação ao seio está contraindicada em situações de aumento da frequência respiratória, devido ao aumento de risco de aspiração e, nesses casos , estimula-se a alimentação artificial por gavagem.
III A administração do surfactante exógeno, por via endovenosa, em recém-nascidos prétermo, demonstrou melhora nos padrões da gasometria venosa e nos parâmetros da ventilação.
IV A administração de corticoide para a gestante pode prevenir e modificar a evolução da SDR no recém-nascido, otimizar os efeitos da terapêutica com o surfactante, após o nascimento, e reduzir a incidência de hemorragia peri-intraventricular.
Estão corretas as afirmativas
Provas
A Caderneta de Saúde da Criança é um documento importante para acompanhar a saúde, o crescimento e o desenvolvimento da criança, do nascimento até os 9 anos (BRASIL, 2017 ). Nela, a vigilância do crescimento infantil é acompanhada por meio de anotações realizadas pelos profissionais de saúde. Em relação à vigilância do crescimento infantil, analise as afirmativas abaixo.
I A Caderneta de Saúde da Criança possui os gráficos de crescimento do perímetro cefálico, do perímetro torácico, da circunferência abdominal, peso para idade e índice de massa corporal (IMC) para a idade.
II Várias medidas de crescimento da criança, quando colocadas como pontos no gráfico ao longo do tempo e unidas entre si, formam uma linha. Um traçado horizontal indica que a criança não está crescendo, o que necessita ser investigado.
III Os pontos de corte utilizados nas distintas curvas estão representados em escores z, que indicam unidades do desvio-padrão do valor da mediana (escore z 0).
IV Para utilizar a curva da Organização Mundial de Saúde em crianças pré-termo, deve-se corrigir a idade cronológica até 12 meses, ou seja, é preciso descontar o número de semanas que faltaram para atingir a idade gestacional de 37 semanas.
De acordo com a Caderneta de Saúde da Criança (2017), estão corretas as afirmativas
Provas
O caso a seguir servirá de base para responder às questões 46 e 47.
Uma adolescente, juntamente com o namorado, também adolescente, procurou a enfermeira da unidade básica de saúde por estar suspeitando de uma gravidez indesejada. Após confirmação da gravidez, a enfermeira acolheu a adolescente no programa de pré-natal onde ofereceu uma assistência qualificada, com abordagem diferenciada, relacionada ao maior número de consultas, à adaptação da prescrição (linguagem de fácil compreensão), ao ganho ponderal e às questões éticas, legais e hábitos de vida (BRASIL, 2016). A adolescente foi acompanhada pela equipe da unidade de saúde até o parto. A criança nasceu a termo e, ainda na maternidade, a puérpera recebeu informações sobre a amamentação e sobre o retorno seguro à atividade sexual. No segundo dia de puerpério, ela recebeu alta e retornou para sua casa juntamente com o bebê.
Em se tratando de uma adolescente, para o retorno seguro à atividade sexual, a enfermeira da unidade de saúde reforçou as orientações sobre o uso de preservativo associado a outro método contraceptivo, disponibilizando-os e considerando como primeira ordem para escolha, segundo o Ministério da Saúde (2015), o
Provas
Um senhor de 54 anos apresentou parada cardiopulmonar e foi submetido a ressuscitação com êxito. Nesse caso, uma das metas hemodinâmicas aconselhadas para os pacientes após ressuscitação, de acordo com os Destaques da American Heart Association 2015, é evi tar e corrigir imediatamente a hipotensão, ou seja, a pressão arterial média inferior a 65 mmHg e a pressão arterial sistólica inferior a
Provas
Caderno Container