Foram encontradas 50 questões.
Um transformador ideal possui 5.000 espiras no primário e 500 espiras no secundário. Se uma tensão alternada, de valor eficaz 120 V, é aplicada no primário, tem-se, no secundário, uma tensão alternada de valor eficaz, igual a
Provas
Na placa de um motor de indução elétrico trifásico, lê-se:
| Potência aparente: | 10 kVA |
| Fator de potência: | 0,89 (atrasado) |
| Tensões Nominais: | 220/380 V. |
O valor da potência reativa do motor quando este é submetido à carga nominal é de, aproximadamente,
Provas
Uma fonte de tensão trifásica fornece uma tensão de linha de 380 V, 60 Hz a uma carga de 12 kW e fator de potência igual a 0,87 em atraso por fase. A corrente na carga, quando essa fonte estiver ligada em estrela será de, aproximadamente,
Considere \( \sqrt{3} \) = 1,73
Provas
Dado um sinal senoidal de velocidade angular igual a 500π rad/s, a frequência e o período desse sinal são, respectivamente,
Provas
O valor decimal resultante da operação binária 111110 – 100110 é igual a
Provas
O número 111010(2) (na base 2) tem como equivalente na base 10 o número
Provas
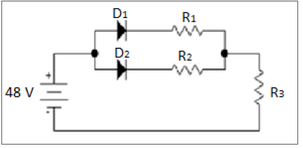
A figura a seguir mostra um circuito onde os diodos D1 e D2 são idênticos. A tensão em cada diodo é de 0,7 V. As resistências R1 e R2 são iguais a 10,0 kΩ, cada. O resistor R3 é igual 8,0 kΩ. Considerando esses dados, o valor da queda de tensão em R3 é de, aproximadamente,

Provas
Uma fonte de sinais apresenta uma corrente de curto-circuito de 500 μA e uma tensão em circuito aberto de 200 mV. O valor da resistência interna dessa fonte é de
Provas
Um chuveiro elétrico tem um seletor de temperatura com três posições: Verão – Desligado – Inverno. No corpo do chuveiro estão gravadas as seguintes informações:
4.600 W – 220 V – 25 A – 4 mm2
O circuito de alimentação desse chuveiro é formado por condutores instalados em eletroduto embutido em alvenaria e o dispositivo de proteção adotado é um disjuntor. De acordo com os dados apresentados, é correto afirmar que
Provas
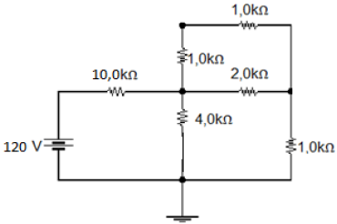
A figura a seguir mostra um circuito com uma associação mista de resistências.

De acordo com os dados da figura, a corrente total nesse circuito é de, aproximadamente,
Provas
Caderno Container