Foram encontradas 40 questões.
O circuito abaixo representa um amplificador com desacoplamento DC (filtro passa alta), implementado com um amplificador operacional (considerado ideal), um capacitor C e dois resistores R1 e R2. Qual a opção correta para se ter uma freqüência de corte f0 aproximadamente igual a 150Hz e um ganho K, para altas freqüências, superior a 15?

Provas
O amplificador inversor, esquematizado na figura abaixo, é realizado com um amplificador operacional (que deve ser considerado ideal), um potenciometro com valor Rp e dois resistores R1 e R2. Esse circuito deve ser projetado de tal modo que o seu ganho variável A cubra a faixa de 1 a 10 (Amín<1 e AMÁX>10). Qual das opções está correta, para que seja satisfeita a especificação?

Provas
Implementa-se um conversor digital-analógico de 4 bits {A(MSB), B, C e D(LSB)} com uma rede de resistores R-2R (R=1k5W), portas lógicas AND e um amplificador operacional, como esquematizado abaixo. Pede-se o valor de R0 para V0 = - 15 volts quando ABCD = 1111

Provas
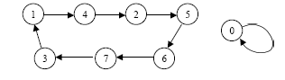
Uma máquina de estado síncrona que apresenta o comportamento dado pelo diagrama de estado abaixo, se implementada com flip-flops tipo D, precisará no mínimo de

Provas
Se 3 contadores binários de 4 bits forem cascateados em série, como mostrado na figura abaixo, o maior número de estados de saída que se poderá obter será:

Provas
Se A, B, F e X são do tamanho de 1 bit, o circuito que melhor se enquadra na descrição dada pela estrutura Se...Então ... Senão ... FimSe mostrada no quadrado abaixo, é um

Provas
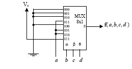
Um circuito lógico combinacional é implementado por meio de um multiplexador 8x1 como mostrado abaixo.

Provas
No circuito mostrado abaixo, se os módulos A e B representam registradores seriais síncronos de 8 bits, pode-se afirmar que o circuito funciona como uma memória do tipo

Provas
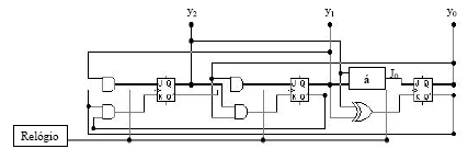
O circuito seqüencial síncrono abaixo deve funcionar como um contador GRAY, cuja contagem deve seguir esta seqüência: y2y1y0=(000, 001, 011, 010, 110, 111, 101, 100, 000,¼).Qual é a porta lógica correta para substituir o bloco á que fornece o valor para J0 do flip-flop mais à direita?

Provas
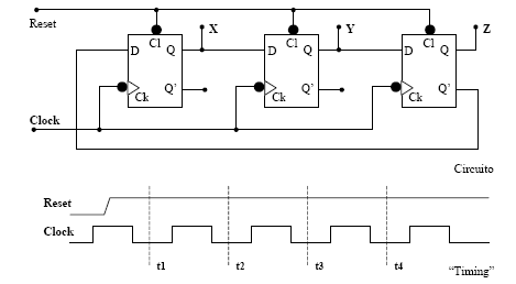
Com base no circuito digital e no "timing" mostrados abaixo, responda as questões 20 e 21.

Provas
Caderno Container