Foram encontradas 45 questões.
- Transformadores e Máquinas ElétricasPrincípios BásicosPerdas, rendimento, torque, potência, ângulo de potência e funcionamento geral
- Transformadores e Máquinas ElétricasMáquinas Assíncronas
Um motor de indução trifásico de oito polos, potência nominal de 38 HP e tensão nominal 380V, aciona um guindaste transportador de materiais. No momento em que o carregamento solicita ¾ da potência nominal do motor, o fator de potência é 0,80, o rendimento é 100% e a tensão nos terminais do referido motor é 380V. A corrente no motor é de
Provas
Do barramento secundário de uma subestação com um transformador de 50MVA –138/34,5 kV partem dois alimentadores que possuem as seguintes características diárias de carga em MW:
Tabulação da demanda diária da carga dos alimentadores:
HORA | ALIMENTADOR Nº1 DEMANDA - MW | ALIMENTADOR Nº2 DEMANDA -MW |
0-1 | 5,00 | 0,00 |
1-2 | 5,00 | 0,00 |
2-3 | 5,00 | 0,00 |
3-4 | 5,00 | 0,00 |
4-5 | 5,00 | 0,00 |
5-6 | 5,00 | 0,00 |
6-7 | 5,00 | 0,00 |
7-8 | 20,00 | 10,00 |
8-9 | 20,00 | 10,00 |
9-10 | 20,00 | 10,00 |
10-11 | 20,00 | 10,00 |
11-12 | 20,00 | 10,00 |
12-13 | 20,00 | 10,00 |
13-14 | 20,00 | 10,00 |
14-15 | 20,00 | 10,00 |
15-16 | 20,00 | 10,00 |
16-17 | 20,00 | 10,00 |
17-18 | 20,00 | 10,00 |
18-19 | 5,00 | 0,00 |
19-20 | 5,00 | 0,00 |
20-21 | 5,00 | 0,00 |
21-22 | 5,00 | 0,00 |
22-23 | 5,00 | 0,0 |
23-24 | 5,00 | 0,00 |
Considerando que, em todos os horários, o fator de potência das cargas é unitário, o fator de demanda em percentagem para esta subestação é
Provas
No barramento de um sistema que funciona em 60Hz, foram feitas as seguintes medições de correntes eficazes:
I60HZ = 400 A
I180HZ = 20 !$ \sqrt{2} !$ A
I300HZ = 20 !$ \sqrt{2} !$A
A Taxa de Distorção Harmônica (TDH) da corrente em valor percentual, neste barramento, é de
Provas
- Transformadores e Máquinas ElétricasPrincípios BásicosCircuitos equivalentes e circuitos magnéticos
- Transformadores e Máquinas ElétricasPrincípios BásicosPerdas, rendimento, torque, potência, ângulo de potência e funcionamento geral
Um transformador 250MVA – 500kV/138kV, com impedância de dispersão Z = 5% e ligação estrela-estrela está conectado a um sistema elétrico de potência de 500kV.O diagrama de impedâncias do sistema é construído na base 1000MVA – 500kV. O valor percentual da impedância deste transformador no diagrama será
Provas
- Circuitos ElétricosAspectos Básicos e Topologia de Circuitos
- Circuitos ElétricosCircuitos Resistivos, RL e RC, e RLC
Um circuito com três capacitores, um de 20µF, um de 30µF e um de 50µF, estão em paralelo sobre uma fonte de 3000V. A energia total armazenada no circuito é
Provas
- Transformadores e Máquinas ElétricasPrincípios BásicosCircuitos equivalentes e circuitos magnéticos
- Transformadores e Máquinas ElétricasPrincípios BásicosPerdas, rendimento, torque, potência, ângulo de potência e funcionamento geral
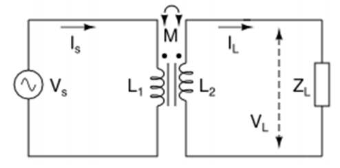
Um transformador de dois enrolamentos foi construído de modo que pode ser considerado ideal para todos os efeitos e tem seu circuito representado a seguir. A bobina primária tem indutância própria de 16 mH e a bobina secundária tem indutância própria de 4 mH.

A mútua indutância tem o valor de
Provas
Os gráficos da tensão induzida e da corrente numa bobina sem perdas são mostrados na figura 2, a seguir.

A indutância da bobina é
Provas
Uma barra condutora energizada com 25000V deve ser isolada de uma estrutura metálica aterrada com um suporte isolante de área quadrada de 10cm de lado. A espessura do material isolante deve ser calculada de modo que a corrente de fuga seja de 100 nanoàmpere. Se a resistividade do suporte isolante é de 1 Xl011 Ω • m , a espessura do material isolante é de
Provas
Numa sala de comprimento de 16 metros e largura de 4 metros, foram montadas, espaçadas uniformemente embutidas no teto, oito luminárias fluorescentes de 2x36 W. O teto tem altura de 3,75m. Considere as informações dadas na tabela a seguir e que o ambiente interno da sala tem forro com fator de reflexão de 70%,paredes com fator de reflexão de 30%, piso com fator de reflexão de 20% e a altura das mesas de trabalho de 0,75m.
Fatores de utilização da luminária 2x36 W
ρ teto | 70 | 50 | 30 | ||||||
ρ pa rede | 50 | 30 | 10 | 50 | 30 | 10 | 50 | 30 | 10 |
ρ piso | 20 | 20 | 20 | ||||||
K | μ - Fatores de Utilização (%) | ||||||||
0 | 59 | 59 | 59 | 56 | 56 | 56 | 54 | 54 | 54 |
1 | 54 | 52 | 51 | 52 | 50 | 49 | 50 | 49 | 48 |
2 | 49 | 46 | 44 | 47 | 45 | 43 | 45 | 44 | 42 |
3 | 44 | 41 | 39 | 43 | 40 | 38 | 41 | 39 | 38 |
4 | 40 | 37 | 34 | 39 | 36 | 34 | 38 | 35 | 33 |
5 | 37 | 33 | 31 | 36 | 33 | 30 | 35 | 32 | 30 |
6 | 34 | 30 | 27 | 33 | 30 | 27 | 25 | 29 | 27 |
7 | 31 | 27 | 25 | 30 | 27 | 25 | 29 | 27 | 24 |
8 | 28 | 25 | 22 | 28 | 25 | 22 | 27 | 24 | 22 |
9 | 26 | 23 | 20 | 26 | 23 | 20 | 25 | 22 | 20 |
10 | 24 | 21 | 29 | 24 | 21 | 19 | 24 | 21 | 19 |
Fluxo da lâmpada fluorescente 36 W é 3200 lúmens
Fator de manutenção da luminária é 0,90
O iluminamento médio, em lux, no plano de trabalho é
Provas
A norma NBR – 5410 – Instalações elétricas de baixa tensão estabelece – “a seleção e a instalação de linhas elétricas devem levar em conta os princípios fundamentais descritos nesta norma, que sejam aplicáveis aos condutores, suas terminações e emendas, aos suportes e suspensões a eles associados e aos seus invólucros ou métodos de proteção contra influências externas”. Levando este aspecto em consideração, são apresentados diversos tipos de linhas elétricas nesta norma.

O tipo de linha representado pelo esquema ilustrativo é de
Provas
Caderno Container