Foram encontradas 1.784 questões.
As máquinas fresadoras são classificadas, geralmente, de acordo com a posição do seu eixo-árvore (onde se fixa a ferramenta), em relação à mesa de trabalho (lugar da máquina onde se fixa a peça). Sobre essa questão, assinale a alternativa correta.
Provas
Questão presente nas seguintes provas
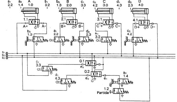
Dado o circuito de acionamento pneumático mostrado a seguir,

Qual a sequência de acionamento executada a partir da partida?
Provas
Questão presente nas seguintes provas
As máquinas destinadas a realizar ensaios de tração evoluíram de forma a atualmente serem controladas por computadores e softwares. Pensando nas partes projetadas para compor uma máquina de ensaio de tração, indique qual das propostas abaixo não se aplica a este fim.
Provas
Questão presente nas seguintes provas
O ensaio de tração é um ensaio destrutivo, usado para obter informações importantes em relação ao material. Considerando todos os conceitos relacionados à realização deste tipo de ensaio, selecione na lista abaixo a propriedade que não é obtida através deste procedimento.
Provas
Questão presente nas seguintes provas
Sobre os tipos de manutenção em uma indústria, analise as afirmações abaixo.
1) Na manutenção corretiva, o reparo é realizado após a falha.
2) A manutenção preventiva é baseada no tempo.
3) A manutenção preditiva é baseada na condição.
4) A manutenção corretiva utiliza teste para detecção de falhas.
2) A manutenção preventiva é baseada no tempo.
3) A manutenção preditiva é baseada na condição.
4) A manutenção corretiva utiliza teste para detecção de falhas.
Estão corretas:
Provas
Questão presente nas seguintes provas
São as principais partes de um forno de indução:
Provas
Questão presente nas seguintes provas
No compartimento do forno de um analisador térmico diferencial, a amostra a ser analisada e uma substância inerte de referência (R) são colocadas em pequenos pratos de alumínio, localizados acima de termopares. São usados como materiais de referência (R):
Provas
Questão presente nas seguintes provas
Na metrologia, as medições devem respeitar a resolução do instrumento de medição utilizado. Sabendo que o número de algarismos significativos é importante para o resultado da medição, indique qual das alternativas abaixo é incorreta quanto ao número de algarismos significativos.
Provas
Questão presente nas seguintes provas
Duas arquiteturas fontes de máquinas de soldagem são normalmente usadas: aquelas de características estáticas de corrente constante (CC) e as de tensão constante (TC) A primeira possui uma tensão em vazio maior e permite a variação do comprimento do arco sem grandes alterações na corrente de soldagem, ideal para processos de soldagem manuais. Por outro lado, as fontes de TC apresentam a mesma tensão em toda faixa de operação, permitindo grandes variações de corrente se o comprimento do arco varia. Face ao exposto, assinale a alternativa correta.
Provas
Questão presente nas seguintes provas
A soldagem a arco pode ser definida como uma união metalúrgica de materiais que envolve a fusão localizada e a solidificação dos materiais de forma que se produza uma junta. Durante a soldagem a arco com proteção gasosa, os gases têm como função:
Provas
Questão presente nas seguintes provas
Cadernos
Caderno Container