Foram encontradas 50 questões.
A fonte de tensão alternada vs = Vmax .sen( wt ) V alimenta uma carga através de uma ponte retificadora. Considere a fonte como ideal e os quatro diodos D1, D2, D3 e D4 também como ideais, e que a potência dissipada na resistência de carga RL de 3Ω é 300W.

O valor da tensão Vmax da fonte é
Provas
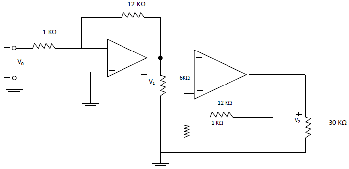
Observe a figura.

Quando a tensão de entrada V0= -5V, os valores das tensões V1 e V2 no circuito mostrado acima são, respectivamente,
Provas
Um projetor com lâmpada vapor metálico de 70 W que produz 6600 lumens foi montado com seu plano horizontal de iluminação paralelo ao plano do solo a uma altura de 5 metros do solo.

Considerando a curva de iluminação do projetor, observe a figura acima, na qual, a zero graus, tem-se o valor de 750 candelas por 1000 lumens. É correto afirmar que o nível de iluminação em Lux no solo exatamente na vertical que passa pelo ângulo zero graus do projetor é
Provas
O esquema mostrado abaixo apresenta três equipamentos designados por Eq1, Eq2 e Eq3, montados em um quadro de distribuição de circuitos em baixa tensão.

A especificação dos equipamentos na ordem Eq1, Eq2 e Eq3 é
Provas
A figura abaixo apresenta o painel de leitura de um aparelho de medida de corrente elétrica.

As especificações deste aparelho são
Provas
No circuito abaixo, as tensões de fase são VAN=220∠0°V, VBN=220∠-120°V e VCN=220∠120°V.

Com as impedâncias ZA=ZB=10∠0 e ZC = 5∠0°, o valor do módulo da corrente IT no circuito é aproximadamente
Provas
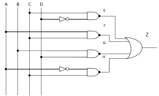
Considere que o circuito lógico abaixo tem em dado momento a entrada especificada por A=0, B=0 , C=1 e D= 1.

Os valores para E, F, G, H e Z, respectivamente, para este momento são
Provas
A resistência equivalente entre os nós 4 e 5 para o circuito abaixo, considerando R= 10Ω, é

Provas
Dez lâmpadas incandescentes de 120W-12V, são usadas em paralelo de forma emergencial para iluminar uma área de desabamento. Uma bateria de 100A.H -12V é usada para alimentação elétrica nesta ocorrência. É correto afirmar que o tempo em horas disponível para a iluminação é
Provas
Um alternador trifásico de 500 KVA – 380V/220V, possui reatância subtransitória de 5%. O equipamento está operando a vazio com tensão nominal, quando ocorre um curto-circuito trifásico nos seus terminais. A corrente de falta em kA é
Provas
Caderno Container