Foram encontradas 40 questões.
Em relação a instalações elétricas, assinale a alternativa incorreta.
Provas
As figuras abaixo mostram como um voltímetro (V) e um amperímetro (A) podem ser conectados em um circuito simples composto de uma bateria de corrente contínua Vb e um resistor R. Desconsiderando a polaridade dos equipamentos, assinale a opção de conexão correta dos instrumentos de medição:
Provas
Considere estes conceitos:
A: “Tem natureza aleatória com intensidade igual em diferentes frequências, conferindo-lhe uma densidade espectral de potência constante.”
B: “Refere-se ao defasamento ou atraso da propriedade de uma variável pertencente a um dado sistema em relação ao efeito que a produz na medida em que ele varia.”
Os conceitos acima referem-se, respectiva e estritamente:
Provas
No circuito mostrado na figura abaixo, os diodos D1 e D2 são considerados ideais, e a tensão Vf é senoidal de valor igual a 64 Vrms. Há dois capacitores C, uma resistência R para limitar a corrente e uma resistência de carga RL.

Considerando a disposição dos componentes no circuito e suas polaridades, a saída VL será uma tensão:
Provas
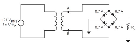
O retificador em ponte, mostrado na figura abaixo, apresenta uma tensão de pico VAB = 12 V no secundário do transformador. Considere que a queda de tensão em cada um dos quatro diodos seja 0,7 V.

Com as informações da figura acima, conclui-se que o valor e a frequência da tensão de pico na carga RL são, respectivamente:
Provas
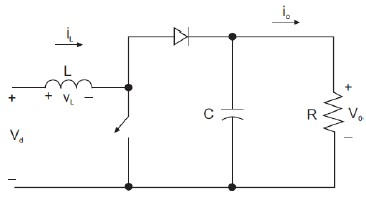
Considere o conversor CC-CC representado na figura abaixo em que a corrente iL flui pelo indutor L produzindo uma diferença de potencial VL. Há um capacitor C em paralelo com a resistência R na qual se mede a tensão de saída V0, e uma corrente i0 flui por esse último componente.

Admitindo que o ciclo de trabalho (duty-cycle) valha 0,4 e que a tensão de entrada Vd seja de 60V, a tensão de V0 de saída, em volts, será:
Provas
O acionamento da chave S, mostrada na figura abaixo, é executado de modo a obter uma modulação por largura de pulso (PWM), com ciclo de trabalho (dutycycle) igual a D. Considere a existência do capacitor C, do diodo d, do indutor L e da resistência R.

Nessas condições, esse circuito corresponde a um conversor CC-CC denominado:
Provas
Considere o seguinte diagrama de estados apresentado na figura (a).

Para implementar o diagrama de estados da figura (a), foram adicionados dois flipflops tipo D mostrados na figura (b). A lógica de menor hardware da entrada DB do flip-flop mais significativo é:
Provas
A figura apresenta um circuito digital com duas entradas A e B.

A expressão booleana da saída F é:
Provas
A tabela-verdade a seguir representa a função lógica f de um circuito combinacional, onde A, B e C são entradas.
| A | B | C | D |
| 0 | 0 | 0 | 1 |
| 0 | 0 | 1 | 1 |
| 0 | 1 | 0 | 0 |
| 0 | 1 | 1 | 0 |
| 1 | 0 | 0 | 1 |
| 1 | 0 | 1 | 1 |
| 1 | 1 | 0 | 0 |
| 1 | 1 | 1 | 0 |
Utilizando a técnica de minimização pelos Mapas de Karnaugh, a expressão mínima de f é:
Provas
Caderno Container