Foram encontradas 70 questões.
Os sistemas de controle são classificados em dois tipos: sistemas de controle em malha aberta e sistemas de controle em malha fechada, sendo que, na malha . Marque a alternativa que completa corretamente a lacuna.
Provas
O enunciado abaixo refere-se à questão.
No esquema apresentado na figura, calcula-se a razão entre as vazões dos fluidos A e B por medição individual, sendo esse valor enviado a um relé divisor. A saída do relé alimenta o controlador indicador de razão, cujo ponto de operação é fixado como a razão desejada. Qualquer variação na razão entre as duas vazões é detectada por esse controlador, que manipula a vazão de B para manter o valor desejado da razão.

Segundo a Norma ISA 5.1, a disposição das letras da identificação do controlador indicador de razão de vazão da figura é:
Provas
O enunciado abaixo refere-se à questão.
No esquema apresentado na figura, calcula-se a razão entre as vazões dos fluidos A e B por medição individual, sendo esse valor enviado a um relé divisor. A saída do relé alimenta o controlador indicador de razão, cujo ponto de operação é fixado como a razão desejada. Qualquer variação na razão entre as duas vazões é detectada por esse controlador, que manipula a vazão de B para manter o valor desejado da razão.

Que elementos primários de vazão estão indicados na figura de acordo com os símbolos ISA 5.1?
Provas
Observe a figura a seguir.

No programa LADDER da figura acima, X1, Y1 e C1 são variáveis booleanas na memória de um CLP, e TON é um temporizador com atraso no acionamento, com tempo especificado em segundos. Considere que, em t=0, todas as variáveis estejam em nível lógico 0 e o temporizador, zerado. Se X1 possui o comportamento especificado no gráfico, o tempo total, em segundos, em que Y1 permanece em nível lógico 1 no intervalo de 0 a 15s, é:
Provas
Observe a tabela a seguir.
| A | B | C | D | S |
| 0 | 0 | 0 | 0 | 1 |
| 0 | 0 | 0 | 1 | 0 |
| 0 | 0 | 1 | 0 | 1 |
| 0 | 0 | 1 | 1 | 0 |
| 0 | 1 | 0 | 0 | \( \varnothing \) |
| 0 | 1 | 0 | 1 | 0 |
| 0 | 1 | 1 | 0 | \( \varnothing \) |
| 0 | 1 | 1 | 1 | 0 |
| 1 | 0 | 0 | 0 | 1 |
| 1 | 0 | 0 | 1 | \( \varnothing \) |
| 1 | 0 | 1 | 0 | 1 |
| 1 | 0 | 1 | 1 | \( \varnothing \) |
| 1 | 1 | 0 | 0 | \( \varnothing \) |
| 1 | 1 | 0 | 1 | 0 |
| 1 | 1 | 1 | 0 | \( \varnothing \) |
| 1 | 1 | 1 | 1 | 0 |
\( \varnothing \) - Condição irrelevante
A expressão booleana mais simplificada, correspondente à tabela verdade acima, é:
Provas
Observe o circuito lógico abaixo.

A tabela verdade, que representa a relação entre as entradas A e B e a saída S, é a que se apresenta em:
Provas
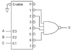
Observe a figura a seguir.

A figura ilustra um decodificador com três entradas e oito saídas, sendo que o sinal de entrada E3 representa o bit mais significativo. De acordo com o circuito digital implementado, o mapa de Karnaugh, referente ao sinal lógico S, é:
Provas
Observe a figura a seguir.

A expressão booleana mais simplificada correspondente ao circuito lógico acima é:
Provas
Confina-se água na região delimitada pelos êmbolos cilíndricos A e B de raios RA = 0,1m e RB = 0,2m, respectivamente. O sistema está em equilíbrio. Despreze os pesos dos êmbolos e o atrito.

Se pA = 10N é o peso do objeto sobre o êmbolo A, então o peso do objeto B sobre o êmbolo B é:
Provas
No sistema esboçado na figura, não atuam forças de atrito.

Dados: m e M são as massas dos blocos.
Considerando a figura e os dados apresentados, marque a alternativa que relaciona corretamente a aceleração a dos blocos à aceleração da gravidade .
Provas
Caderno Container