Foram encontradas 260 questões.
Considere um motor de indução trifásico de 50 cv, 60Hz, 380
V e suponha que o rendimento do motor seja de 90% e o
fator de potência, 0,8. Qual é o valor aproximado da corrente
de partida, supondo que ela seja 7 vezes a corrente nominal
(corrente de linha) do motor? Considere: 1 cv = 736 W.
Provas
Questão presente nas seguintes provas
Observe a figura a seguir.

Os transformadores monofásicos são ideais. Determine a impedância Zab para ZL = 100 + j50 ohms.
Provas
Questão presente nas seguintes provas
A figura a seguir mostra a vista superior de uma bobina
quadrada, com 20 cm de lado e 50 espiras, imersa em um
campo magnético uniforme, com densidade de fluxo B = 0,5
T, e pela qual passa uma corrente I. O plano da bobina é
paralelo ao plano do papel.

Qual é o valor da corrente I que resulta em um torque de 1 N.m sobre a bobina?

Qual é o valor da corrente I que resulta em um torque de 1 N.m sobre a bobina?
Provas
Questão presente nas seguintes provas
Observe a figura a seguir.

O amplificador operacional da figura é ideal. Qual é o valor de Vo?
Provas
Questão presente nas seguintes provas
O circuito digital mostrado na figura a seguir tem 3 entradas: A, B e C e 2 saídas: Y e Z.

Qual é a saída (Y, Z) para uma entrada (A, B, C) = (1, 0, 1)?
Provas
Questão presente nas seguintes provas
Uma fonte trifásica equilibrada está fornecendo 30 kVA, com
um fator de potência de 0,8 atrasado, a duas cargas ligadas
em paralelo, equilibradas, conectadas em estrela (Y). A
impedância da linha de distribuição que liga a fonte às
cargas é desprezível. A carga 1 absorve 15 kW e 6 kVAr.
Determine o módulo da impedância por fase da carga 2
considerando a tensão de linha nas cargas como sendo
220√3 V (valor eficaz). Considere: cos(36,87º
) = 0,8 e
sen(36,87º
) = 0,6.
Provas
Questão presente nas seguintes provas
Uma fonte senoidal de tensão alimenta uma carga RL com
200 V, RMS. Se a potência dissipada pela carga é 3,2 kW e
o fator de potência 0,8, qual é reatância indutiva da carga?
Provas
Questão presente nas seguintes provas
Uma fonte de corrente contínua foi utilizada em um
experimento. Conectou-se um resistor de 7,5 Ω em seus
terminais e mediu-se a tensão de 15V. O resistor foi trocado
por outro resistor de 3,5 Ω e mediu-se a tensão de 14 V nos
terminais da fonte. Com base nessas informações,
determine o circuito equivalente de Norton da bateria.
Provas
Questão presente nas seguintes provas
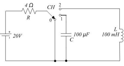
No circuito elétrico mostrado na figura a seguir, a chave CH
está, inicialmente, na posição 0 e o capacitor descarregado.

Qual das formas de onda a seguir representa a corrente no resistor R quando a chave passa da posição 0 para a 1 no tempo t1 e, após o transitório, passa da posição 1 para a 2, no tempo t2?

Qual das formas de onda a seguir representa a corrente no resistor R quando a chave passa da posição 0 para a 1 no tempo t1 e, após o transitório, passa da posição 1 para a 2, no tempo t2?
Provas
Questão presente nas seguintes provas
A contratação da execução da obra ou do serviço por preço
certo de unidades determinadas é característica de
Provas
Questão presente nas seguintes provas
Cadernos
Caderno Container