Foram encontradas 290 questões.
Provas
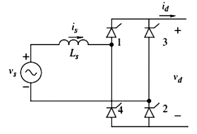
Considere o circuito do conversor controlado apresentado abaixo:

Considerando o ângulo de atraso (disparo) dos tiristores igual a 90º e o valor eficaz da fonte de tensão vs de 220 V, é CORRETO afirmar que o valor médio da tensão de saída Vd vale
Provas

Se a tensão va (t) = 180 cos (2 x π x 60 x t) V, é CORRETO afirmar que o valor médio da tensão de saída Vout é
Provas
Provas
Considere o circuito abaixo:

Considerando a tensão base-emissor = 0,7 V, é CORRETO afirmar que a corrente do coletor vale
Provas
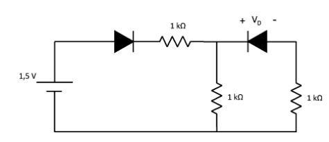
Considere o seguinte circuito retificador:

Desprezando a queda de tensão dos diodos em polarização direta, quando a tensão V está no semiciclo negativo, é CORRETO afirmar que os diodos que estão conduzindo são
Provas
Considere o seguinte circuito:

Considerando a queda de tensão dos diodos em polarização direta de 0,7 V, é CORRETO afirmar que a tensão VD vale
Provas
Nesse caso, é CORRETO afirmar que o escorregamento vale
Provas
Considere um motor de corrente contínua conectado conforme a figura abaixo:

Com relação a esse motor e a esse tipo de conexão, é CORRETO afirmar que
Provas
Considere o circuito magnético abaixo:

As dimensões a e b valem, respectivamente, 1 m e 10 cm. Considerando a permeabilidade magnética desse material igual a 0,1 W/Am, calcule a relutância deste circuito e assinale a alternativa CORRETA.
Provas
Caderno Container