Magna Concursos

Foram encontradas 204 questões.

2809045 Ano: 2023
Disciplina: Engenharia Civil
Banca: UFLA
Orgão: UFLA
Provas:
Analise as proposições a seguir, referentes ao projeto de estruturas de alvenaria estrutural, conforme a ABNT NBR 16868-1 (2020).
I. A amarração direta entre paredes, padrão de ligação de paredes por intertravamento de blocos ou tijolos, é obtida com a interpenetração alternada de 33% das fiadas de uma parede na outra, ao longo das interfaces comuns.
II. Área líquida é a área de um componente (bloco) ou elemento (parede), na qual considera-se apenas a região em que a argamassa de assentamento é distribuída, descontada a existência dos vazios.
III. Quando especificado o graute, sua influência na resistência da alvenaria deve ser verificada em laboratório, nas condições de sua utilização, sendo a sua resistência à compressão característica com valor mínimo de 15 MPa.
IV. A resistência característica de compressão simples da alvenaria, fk, deve ser determinada com base no ensaio de paredes, podendo, para o caso de blocos com 19 cm de altura e juntas com 1,0 cm de espessura, esse valor ser estimado como 85% da resistência característica de compressão simples do prisma, f pk .
V. Se um elemento de alvenaria estrutural for construído com argamassamento parcial e se a resistência for determinada a partir de elementos com argamassamento total, a resistência característica à compressão simples da alvenaria deve ser corrigida por um fator igual a 0,80.
Assinale a alternativa CORRETA :
 

Provas

Questão presente nas seguintes provas
2809044 Ano: 2023
Disciplina: Engenharia Civil
Banca: UFLA
Orgão: UFLA
Provas:

A parede estrutural, a seguir, deve ser dimensionada no Estado Limite Último.

Enunciado 3591329-1

Considere:


• resistência característica de compressão simples do prisma, f pk = 7,0 MPa;


• resistência característica à compressão simples da alvenaria, f k = 0,70 . f pk ;


• parede travada por lajes nas extremidades superior e inferior;


• argamassa disposta sobre todas as paredes dos blocos;


• ausência de paredes transversais na parede em estudo;


• coeficiente de ponderação da alvenaria, γ m = 2,0;


• P k como ação vertical permanente;


• h = 280 cm;


• t = 14 cm.

Calcule a máxima carga centrada, P k , por metro, que é possível de ser aplicada (valor aproximado) e assinale a alternativa CORRETA:

 

Provas

Questão presente nas seguintes provas
2809043 Ano: 2023
Disciplina: Engenharia Civil
Banca: UFLA
Orgão: UFLA
Provas:
Na execução de revestimentos cerâmicos, a junta é definida como o espaço (fresta) regular entre duas peças de materiais idênticos ou distintos. Com relação aos tipos mais comuns de juntas, marque a opção INCORRETA :
 

Provas

Questão presente nas seguintes provas
2809042 Ano: 2023
Disciplina: Engenharia Civil
Banca: UFLA
Orgão: UFLA
Provas:
Os diagramas de esforços mostrados, a seguir, representam graficamente os valores dos esforços normais, dos esforços cortantes e dos momentos fletores, respectivamente, ao longo de uma viga (AB) inclinada e biapoiada.
Enunciado 3591327-1
Considerando que os apoios nos pontos A e B são, respectivamente, do segundo gênero (apoio fixo) e primeiro gênero (apoio móvel), assinale a afirmativa CORRETA :
 

Provas

Questão presente nas seguintes provas
2809041 Ano: 2023
Disciplina: Engenharia Civil
Banca: UFLA
Orgão: UFLA
Provas:
Uma viga metálica de seção I, cujo vão tem 5,0 m e tensão admissível de flexão igual a 180 MPa, será utilizada em uma edificação. A viga possui altura total de 30 cm e momento de inércia à flexão de 2750 cm 4 .
Considerando-se que a viga é isostática e apoiada em suas extremidades, determine a máxima carga p uniformemente distribuída (valor característico) que poderá ser aplicada à viga.
Assinale a alternativa CORRETA :
 

Provas

Questão presente nas seguintes provas
2809040 Ano: 2023
Disciplina: Engenharia Civil
Banca: UFLA
Orgão: UFLA
Provas:
A cobertura de uma edificação escolar será feita com estrutura de madeira. Sabe-se que as vigas serão isostáticas com vãos iguais a 6,5 m e que cada uma delas estará sujeita a uma carga uniformemente distribuída de 8,0 kN/m e uma carga concentrada de 25 kN aplicada no meio do vão, devido à fixação de um equipamento.
Considere para a resolução:
• vigas fornecidas pela construtora responsável pela obra com seção retangular, base (b) de 15 cm e tensão admissível de flexão igual a 15,0 MPa;
• cada viga é apoiada em suas extremidades;
• as vigas possuem seção transversal constante ao longo do seu comprimento;
• o equipamento é permanente;
• não é necessário empregar coeficientes de ponderação para as cargas.
Determine a altura (h) mínima necessária da seção transversal das vigas para atender ao carregamento:
 

Provas

Questão presente nas seguintes provas
2809039 Ano: 2023
Disciplina: Engenharia Civil
Banca: UFLA
Orgão: UFLA
Provas:
Com relação às instalações elétricas na construção civil, marque a opção INCORRETA :
 

Provas

Questão presente nas seguintes provas
2809038 Ano: 2023
Disciplina: Engenharia Civil
Banca: UFLA
Orgão: UFLA
Provas:
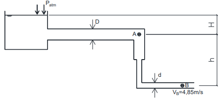
A figura apresentada, a seguir, ilustra um reservatório de água com a superfície livre e mantido com nível constante.
Admita para os cálculos os seguintes dados:
• g = 10 m/s2 ;
• γ= 10 kN/m³;
• H= 6,00 m;
• h= 2,50 m;
• D interno = 40 cm;
• d interno = 20 cm;
• desconsidere perdas de carga.
Enunciado 3591318-1
Determine os valores das pressões relativas nos pontos A (P A ) e B (P B ):
 

Provas

Questão presente nas seguintes provas
2809037 Ano: 2023
Disciplina: Engenharia Civil
Banca: UFLA
Orgão: UFLA
Provas:
No sistema indicado, a seguir, a velocidade da água no ponto "C" é igual a 3,10 m/s e a pressão relativa em "A" é igual a -0,30 kgf/cm². A perda de carga entre os pontos "A" e "C" é igual a Δh AC =2,80m e a potência real da bomba é igual a 20 CV, com rendimento de 75%.
Enunciado 3591317-1
Admitindo-se que o sistema possui diâmetro constante igual a 150 mm, aceleração da gravidade igual a 10 m/s² e γ=10 kN/m³, determine a máxima altura "h" que a bomba poderá elevar a água:
 

Provas

Questão presente nas seguintes provas
2809036 Ano: 2023
Disciplina: Engenharia Civil
Banca: UFLA
Orgão: UFLA
Provas:
Quanto às peças mostradas, a seguir, utilizadas em instalações hidrossanitárias de edificações, relacione o número correspondente a cada imagem à sua correta descrição e marque a alternativa que apresenta a sequência CORRETA :
Enunciado 3591316-1
 

Provas

Questão presente nas seguintes provas