Foram encontradas 325 questões.
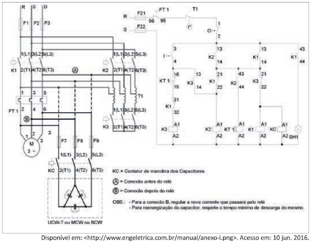
Os motores cuja corrente de partida provoca distúrbios no sistema elétrico são, normalmente, acionados por chaves que reduzem a tensão de partida como, por exemplo, a chave compensadora automática apresentada a seguir. Considerando que o circuito apresentado também alimenta um banco de capacitor adequadamente dimensionado para a correção do fator de potência do motor, assinale a alternativa correta.

Provas
Considerando a Lei nº 8.213, de 24 de julho de 1991, e suas atualizações, que dispõe sobre os Planos de Benefícios da Previdência Social e sobre a definição de acidente do trabalho, assinale a alternativa errada.
Provas
Um técnico em refrigeração deseja instalar um ar condicionado de 60.000 BTU/h cujos dados fornecidos pelo fabricante são: potência aparente igual a 7.612 VA, alimentação trifásica em 220 V. Considerando que seja utilizado o cabo flexível de seção 4,0 mm2 e o equipamento esteja instalado a 50 m do quadro de distribuição, assinale a alternativa correta.
Seja:\( √ 3 = 1,73 \); Queda de tensão do cabo 4,0 mm2 = 10 V/(A.km)
Provas
Um eletricista deseja instalar um ar condicionado com potência ativa igual a 1.320 W e fator de potência igual a 1, em uma residência onde já se encontra instalado um chuveiro de 6.600 W e 10 lâmpadas incandescentes com corrente igual a 0,5 A cada. Sendo o circuito 220 V, protegido por um disjuntor termomagnético de 40 A, acrescentando-se o ar condicionado às cargas instaladas, assinale a alternativa correta.
Provas
Considerando uma impedância \( Z=11\angle 60º\ \Omega \) (onze Ohms com o ângulo de 60 graus) sendo alimentada por uma fonte em corrente alternada de \( 220\angle 0º \)V (duzentos e vinte Volts com o ângulo de 0 grau), assinale a alternativa correta.
Seja: \( seno(60º) = √ 3/2 \); \( cosseno(60º) = 1/2 \);\( tangente(60º) = √3 \)
Provas
Considere um circuito elétrico alimentado por uma fonte de corrente contínua igual 12 V. Sendo o resistor R1 igual a \( 6 \ \Omega \) e os resistores R2 e R3 iguais a \( 12\ \Omega \), associados conforme a figura a seguir, assinale a alternativa correta.

Provas
O manejo e o controle alimentar da vaca leiteira visam a atender as exigências nutricionais das diferentes categorias animais e estágios de produção, prevenindo a escassez ou o excesso de nutrientes, a fim de evitar doenças metabólicas, infecciosas ou perdas econômicas decorrentes da queda de produção, do aumento no custo da dieta, do tratamento, do descarte e até da morte do animal. No início da lactação, o metabolismo da vaca leiteira é dirigido para
Provas
Com relação ao manejo reprodutivo em bovinos de corte, assinale a alternativa que indica uma técnica que permite a prenhez da vaca sem manifestação de cio.
Provas
Sobre os princípios básicos de experimentação agrícola, assinale a resposta incorreta.
Provas
Na realização de um ensaio experimental de bovinos de corte confinados, deseja-se avaliar 3 porcentagens de proteína e 2 fontes de cromo orgânico na dieta dos animais. Os animais serão alojados em baias. Dessa forma, o pesquisador deseja trabalhar com 2 animais por baia e 8 repetições por tratamento. Tendo em vista o exposto, quantos animais e quantas baias serão utilizados nesse ensaio experimental?
Provas
Caderno Container