Foram encontradas 900 questões.
A ação do ar sobre um equipamento fez aparecer um composto sobre sua superfície externa de coloração cinza. Isto se deve ao fato do material ser revestido de:
Provas
Questão presente nas seguintes provas
- EletrotécnicaCircuitos Elétricos em Eletricidade
- EletrotécnicaCircuitos de Corrente Contínua e de Corrente Alternada
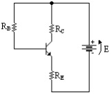
Dado o transistor abaixo:

Considere:
E = 15 V V BE = 0,7 V β= 100 V CE = 4,0 V R E = 100Ω RC = 100Ω RB = 430Ω
O valor da corrente I E em A, é:

Considere:
E = 15 V V BE = 0,7 V β= 100 V CE = 4,0 V R E = 100Ω RC = 100Ω RB = 430Ω
O valor da corrente I E em A, é:
Provas
Questão presente nas seguintes provas
A figura abaixo refere-se ao enunciado da questão.

Dado: R= 20 Ω /10 Vcc.
Os valores da tensão eficaz, em volts, e da corrente eficaz, em ampéres, ambas no secundário do transformador, valem, respectivamente:

Dado: R= 20 Ω /10 Vcc.
Os valores da tensão eficaz, em volts, e da corrente eficaz, em ampéres, ambas no secundário do transformador, valem, respectivamente:
Provas
Questão presente nas seguintes provas
Num equipamento eletromecânico, a resistência que se opõe ao deslocamento de uma corrente de 5,0 ampères, quando existe uma d.d.p. de 127 volts fornecida por um gerador, em ohms, é:
Provas
Questão presente nas seguintes provas
Um motor assíncrono trifásico, potência 20 KW, hexapolar é ligado a uma rede trifásica de tensão 380 V, frequência 50 Hz. Em plena carga, o motor tem um escorregamento 3,5%, fator de potência 0,88 e rendimento 0,85. O valor do binário em joule/radiano é de, aproximadamente:
Provas
Questão presente nas seguintes provas
O dispositivo de medição de diâmetros internos de furos, que podem variar entre 4,5 a 550 mm de diâmetro, em que para medições absolutas torna-se necessário o acompanhamento de um anel padrão, é denominado:
Provas
Questão presente nas seguintes provas
O tipo de motor de corrente contínua mais empregado em tração é o:
Provas
Questão presente nas seguintes provas
A corrente elétrica de alimentação de um motor de alto rendimento de potência 5 cv (1 cv=736 W), trifásico, 220 V, rendimento 80% e cos Φ 0.92, em A, vale:
Provas
Questão presente nas seguintes provas
Com relação ao processo de corrosão em tubulações enterradas, é correto afirmar que:
Provas
Questão presente nas seguintes provas
Para realizar trabalhos de manutenção em uma estrutura de linha aérea nivelada de cabo de alumínio com alma de aço, o condutor foi afastado da estrutura de apoio.
Dados do problema:
· vão: 80 m
· seção do condutor 170 mm2
· E cabo CAA = 8000 daN/mm2
· tensão mecânica inicial = 320,6 daN
· tensão mecânica final = 620,6 daN
Nestas condições, o alongamento do condutor foi, em mm, de:
Dados do problema:
· vão: 80 m
· seção do condutor 170 mm2
· E cabo CAA = 8000 daN/mm2
· tensão mecânica inicial = 320,6 daN
· tensão mecânica final = 620,6 daN
Nestas condições, o alongamento do condutor foi, em mm, de:
Provas
Questão presente nas seguintes provas
Cadernos
Caderno Container