Foram encontradas 273 questões.
Considere a medida realizada em um
medidor analógico de múltipla escala, conforme
apresentado a seguir.
Considerando-se a escala do instrumento e a faixa escolhida, a medida indicada no instrumento é
Considerando-se a escala do instrumento e a faixa escolhida, a medida indicada no instrumento é
Provas
Questão presente nas seguintes provas
Considere o instrumento utilizado para medições de grandezas elétricas apresentado a seguir.

É correto afirmar que
Provas
Questão presente nas seguintes provas
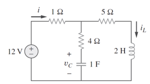
Observe o circuito em corrente contínua apresentado a seguir.

Considerando-se o circuito em regime permanente, a corrente iL através do indutor será de
Provas
Questão presente nas seguintes provas
Considere o sistema de aterramento apresentado na figura a seguir.

De acordo com a NBR 5410, é correto afirmar que
Provas
Questão presente nas seguintes provas
Considere o sistema de dupla conversão
para acionamento de um motor elétrico de indução
trifásico mostrado a seguir.
Analise as seguintes afirmações relacionadas ao sistema de acionamento apresentado:
I Ele permite variar a velocidade de rotação do motor ao variar a rotação do campo magnético girante produzido pelas correntes no estator do motor.
II Ele pode ser aplicado em motores síncronos.
III O banco de baterias entre o conversor e o inversor pode ser usado para recuperar energia numa frenagem.
Está(ão) correta(s):
Analise as seguintes afirmações relacionadas ao sistema de acionamento apresentado:
I Ele permite variar a velocidade de rotação do motor ao variar a rotação do campo magnético girante produzido pelas correntes no estator do motor.
II Ele pode ser aplicado em motores síncronos.
III O banco de baterias entre o conversor e o inversor pode ser usado para recuperar energia numa frenagem.
Está(ão) correta(s):
Provas
Questão presente nas seguintes provas
O coordenograma apresentado a seguir
mostra as curvas de atuação de um relé térmico
usado para proteção de sobrecarga de motor
elétrico.
O relé térmico comanda a abertura do contator em um determinado tempo que depende da corrente de atuação Ie.
Considerando-se que a relação de transformação do TC é 50, Ie = 500 A e a classe de partida do relé térmico é 30 s, o tempo aproximado, em segundos, para acionar a abertura do contator com uma corrente de 2500 A é
O relé térmico comanda a abertura do contator em um determinado tempo que depende da corrente de atuação Ie.
Considerando-se que a relação de transformação do TC é 50, Ie = 500 A e a classe de partida do relé térmico é 30 s, o tempo aproximado, em segundos, para acionar a abertura do contator com uma corrente de 2500 A é
Provas
Questão presente nas seguintes provas
À luz da NR-10, são consideradas
desenergizadas as instalações elétricas liberadas
para trabalho mediante os procedimentos
apropriados, desde que seguida(s) a(s)
sequência(s):
I Seccionamento / Constatação de ausência de tensão / Impedimento de reenergização.
II Impedimento de reenergização / Instalação de aterramento temporário / Proteção de elementos energizados na zona controlada / Sinalização de impedimento de reenergização.
III Seccionamento / Impedimento de reenergização / Constatação de ausência de tensão / Instalação de aterramento temporário / proteção de elementos energizados na zona controlada / sinalização de impedimento de reenergização.
Está(ão) correto(s) apenas o(s) item(ns)
I Seccionamento / Constatação de ausência de tensão / Impedimento de reenergização.
II Impedimento de reenergização / Instalação de aterramento temporário / Proteção de elementos energizados na zona controlada / Sinalização de impedimento de reenergização.
III Seccionamento / Impedimento de reenergização / Constatação de ausência de tensão / Instalação de aterramento temporário / proteção de elementos energizados na zona controlada / sinalização de impedimento de reenergização.
Está(ão) correto(s) apenas o(s) item(ns)
Provas
Questão presente nas seguintes provas
O maior valor de tensão na saída de um
conversor digital-analógico (DAC) de oito bits que
gera uma saída 2 V para uma entrada digital
binária 001100102 é
Provas
Questão presente nas seguintes provas
Considere que a chave do circuito
apresentado a seguir esteve fechada por um longo
período e foi aberta em t = 0 s.
Passado o período transitório, ou seja, considerando um longo período após a abertura da chave em t = 0 s, o valor da corrente i indicada no circuito é
Passado o período transitório, ou seja, considerando um longo período após a abertura da chave em t = 0 s, o valor da corrente i indicada no circuito é
Provas
Questão presente nas seguintes provas
São apresentados a seguir os diagramas de
potência e comando de um motor de indução trifásico.
Ao acionar a botoeira S1, o motor é ligado. Analisando os diagramas de potência e comando, é possível verificar que essa lógica de comando produz
Ao acionar a botoeira S1, o motor é ligado. Analisando os diagramas de potência e comando, é possível verificar que essa lógica de comando produz
Provas
Questão presente nas seguintes provas
Cadernos
Caderno Container