Foram encontradas 273 questões.
O valor da resistência Rx é proporcional à grandeza que se deseja medir. Dessa forma, a resistência R3 é variada até que a corrente passando pelo galvanômetro seja zero. Nessa condição, ou seja, a corrente no galvanômetro igual a zero, a resistência Rx vale
Provas
Se o seletor fosse deslocado da posição 100 para a posição 10, a medida indicada no instrumento seria
Provas
Considere o instrumento utilizado para medições de grandezas elétricas apresentado a seguir.

Em relação às funcionalidades desse instrumento, é INCORRETO afirmar que ele
Provas
Analise o circuito em corrente contínua apresentado a seguir.

Considerando-se o circuito em regime permanente, a tensão vc sobre o capacitor será de
Provas
A pirâmide apresentada a seguir mostra os diversos tipos de tecnologias de memórias.

Em relação aos tipos de memórias, considere as seguintes afirmativas:
I Memória EEPROM - Pode ser apagada eletricamente no circuito, byte a byte.
II Memória Flash - Pode ser apagada eletricamente no circuito, por setor ou em bloco.
III Memória MROM - Pode ser apagada e reprogramada.
Dos itens mencionados estão corretos:
Provas
Em relação ao sistema de acionamento apresentado, é correto afirmar que:
Provas
O dispositivo eletrônico que produz esse comportamento é
Provas
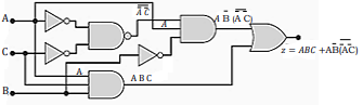
Considere o circuito lógico combinacional apresentado na sequência.

Esse circuito pode ser simplificado de forma que a saída z fique da seguinte forma:
Provas
Provas
Passado o período transitório, ou seja, considerando um longo período após a abertura da chave em t = 0 s, o valor da tensão v sobre o capacitor será
Provas
Caderno Container