Foram encontradas 65 questões.
Suponha que a corrente elétrica que entra em um terminal de um elemento é dada por I = 2.t(A). A carga total (em Coulomb - C) que entra pelo terminal no intervalo compreendido entre t = 0s e t = 4s é:
Provas
Questão presente nas seguintes provas
Dado um circuito lógico, cuja saída (Z) é dada pela expressão
equivalentemente, têm-se:
Provas
Questão presente nas seguintes provas
Considere o circuito abaixo:

É correto afirmar que a tensão v0 ficará limitada aos seguintes valores:
Provas
Questão presente nas seguintes provas
Considere o circuito abaixo, e assuma que o amplificador operacional é ideal.

Podemos afirmar que o módulo e a fase da função de transferência deste circuito são, respectivamente:
Provas
Questão presente nas seguintes provas
Um carga de 108 Ω deve ser casada a uma linha de 75 Ω; o transformador de quarto de onda,
então, deverá ter impedância igual a:
Provas
Questão presente nas seguintes provas
Acerca do diodo, a afirmativa correta é:
Provas
Questão presente nas seguintes provas
Considere que um transistor bipolar de junção (TBJ) pode ser modelado por um circuito linear quando excitado por pequenos sinais, conforme o circuito abaixo. 
Calcule o valor de RL para que o ganho de tensão vo / vs seja igual a −40V / V. Considere: ro = ∞ (valor muito alto);RS = 5 kΩ ; rπ = = 2,5 kΩ ; gm = - 40 mA/V.

Calcule o valor de RL para que o ganho de tensão vo / vs seja igual a −40V / V. Considere: ro = ∞ (valor muito alto);RS = 5 kΩ ; rπ = = 2,5 kΩ ; gm = - 40 mA/V.
Provas
Questão presente nas seguintes provas
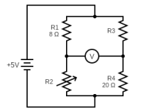
Dado o circuito abaixo, determine o valor para o qual o resistor R2 deverá ser ajustado para que o
voltímetro V indique uma leitura igual a 0 (zero) quando R3 = 10Ω .


Provas
Questão presente nas seguintes provas
Considere o processo administrativo no
âmbito federal, regulado pela Lei 9.784/99.
Em decisão na qual se evidencie não acarretarem
lesão ao interesse público nem prejuízo a
terceiros, a própria Administração poderá, com
relação aos atos que apresentarem defeitos
sanáveis:
Provas
Questão presente nas seguintes provas
Segundo dispõe o Estatuto do Servidor
Público Federal (Lei 8.112/90), a investidura em
cargo público ocorrerá com a(o):
Provas
Questão presente nas seguintes provas
Cadernos
Caderno Container