Foram encontradas 40 questões.
Os transmissores são essenciais quando o resultado da medição de um sensor deve ser comunicado a outro dispositivo para uso ou armazenamento. Considere que o sinal de saída de um medidor tenha sido preparado para transmissão e que o transmissor tenha sido configurado para trabalhar com o sinal do medidor em toda a faixa de medição, ou range. Nessas condições, é CORRETO afirmar:
Provas
Observe o circuito ilustrado a seguir, conhecido como ponte de Wheatstone.

No circuito ilustrado acima, o resistor R4 varia linearmente com a deformação que esse resistor sofre.
Quando a deformação é zero, o valor de R4 é o mesmo de todos os demais resistores, R1, R2, R3.
Com base nessas informações, é CORRETO afirmar:
Provas
Observe o circuito elétrico ilustrado a seguir:

No circuito elétrico ilustrado acima,
Provas
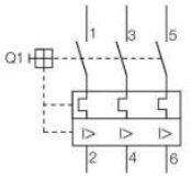
Observe o símbolo a seguir:

Segundo a norma NBR 5280, para comandos elétricos, o símbolo apresentado acima indica um
Provas
O protocolo de comunicação HART é comumente utilizado em aplicações de campo. Sobre esse protocolo de comunicação, analise as afirmativas a seguir:
I. O protocolo de comunicação HART aplica modulação por chaveamento de deslocamento de frequência, comumente denominada FSK, para sobrepor os sinais de comunicação digital ao sinal analógico de 4-20 mA.
II. O protocolo de comunicação HART permite a comunicação digital bidirecional, sem interferir no sinal analógico de 4-20 mA, em instrumentos de campo inteligentes.
III. O protocolo de comunicação HART é um protocolo do tipo mestre-escravo, sendo possível, nesse protocolo, que dois mestres, um primário e um secundário, se comuniquem com um instrumento escravo em campo.
É CORRETO o que se afirma em
Provas
Observe, a seguir, as representações esquemáticas de dois quadros de mensagem em uma comunicação de dados numa determinada rede.
| Quadro de mensagem 1 | |||||
| START | ADDRESS | FUNCTION | DATA | LRC | END |
| 2 CHARS | 2 CHARS | N CHARS | 2 CHARS | CRLF | |
| Quadro de mensagem 2 | |||||
| START | ADDRESS | FUNCTION | DATA | CRC | END |
| 3.5 CHAR TIME | 8 bit | 8 bit | N * 8 bit | 16 bit | 3.5 CHAR TIME |
Os quadros de mensagem 1 e 2 são utilizados, respectivamente, na comunicação em uma rede MODBUS:
Provas
O protocolo de comunicação MODBUS
Provas
Sobre as interfaces RS-232 e RS-485, é CORRETO afirmar:
Provas
Sobre os inversores de frequência, é CORRETO afirmar:
Provas
Leia o texto abaixo sobre a partida estrela-triângulo de motores elétricos.
Para que o pico de corrente na partida seja reduzido adequadamente, a tensão nominal do motor na configuração triângulo ser a mesma da rede. Para a efetiva redução do pico de corrente, é importante que a comutação de estrela para triângulo ocorra quando a rotação do motor alcançar pelo menos da rotação nominal. O torque resistente da carga ser superior ao torque de partida do motor e este método de partida se mostra vantajoso .
Completam CORRETAMENTE o texto lacunado acima, na ordem sequencial, os termos:
Provas
Caderno Container