Foram encontradas 60 questões.
No Microsoft Word 2013, ao clicar o botão “Ortografia e Gramática”, do grupo “Revisão
de Texto” na guia “REVISÃO”, o painel de tarefas “Ortografia” é exibido. Esse painel indica as palavras
não reconhecidas pelo corretor ortográfico, e possibilita, assim, ao usuário algumas ações em relação a
cada palavra, por meio de botões presentes no painel. Sobre os botões presentes no painel de tarefas
“Ortografia”, é INCORRETO afirmar:
Provas
Questão presente nas seguintes provas
182689
Ano: 2017
Disciplina: TI - Organização e Arquitetura dos Computadores
Banca: UFES
Orgão: UFES
Disciplina: TI - Organização e Arquitetura dos Computadores
Banca: UFES
Orgão: UFES
Provas:
Daniel Hayashida Simão (2013), em “Introdução à Informática – Desvendando o
Universo da Computação”, classifica os componentes de um computador em quatro categorias:
componentes internos de hardware, dispositivos de entrada e saída, software e dispositivos externos de
armazenamento. São exemplos de componentes dessas quatro categorias, respectivamente, na ordem
apresentada acima:
Provas
Questão presente nas seguintes provas
- UniãoExecutivoDecreto 1.171/1994: Código de Ética do Servidor Público Civil do Poder Executivo Federal
De acordo com o Código de Ética Profissional do Servidor Público Civil do Poder
Executivo Federal, aprovado por meio do Decreto nº. 1.171/1994, NÃO constitui dever do servidor
público
Provas
Questão presente nas seguintes provas
- EletrotécnicaCircuitos Elétricos em Eletricidade
- EletrotécnicaCircuitos de Corrente Contínua e de Corrente Alternada
De acordo com a teoria de circuitos em corrente alternada, a condutância elétrica, a
susceptância elétrica e a admitância elétrica são, respectivamente, inversas a
Provas
Questão presente nas seguintes provas
Em relação a instalações elétricas, considerando a norma NBR5410, é CORRETO
afirmar:
Provas
Questão presente nas seguintes provas
- EletrotécnicaCircuitos Elétricos em Eletricidade
- EletrotécnicaCircuitos de Corrente Contínua e de Corrente Alternada
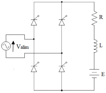
Observe a figura a seguir.

A figura acima representa um circuito carregador de baterias automotivas que utiliza SCR (tiristor). O banco de baterias é de 48 V e 120Ah. Considerando que a tensão da rede monofásica é Valim=127 V eficaz, é CORRETO afirmar:
Provas
Questão presente nas seguintes provas
- EletrotécnicaCircuitos Elétricos em Eletricidade
- EletrotécnicaCircuitos de Corrente Contínua e de Corrente Alternada
Um retificador monofásico de onda completa é minimamente constituído por
Provas
Questão presente nas seguintes provas
- EletrotécnicaCircuitos Elétricos em Eletricidade
- EletrotécnicaCircuitos de Corrente Contínua e de Corrente Alternada
Observe o circuito ilustrado a seguir.

No circuito ilustrado acima, o valor da corrente medida pelo amperímetro é
Provas
Questão presente nas seguintes provas
Um motor síncrono de 6 polos, quando conectado a uma rede de 60 Hz, terá uma
rotação de
Provas
Questão presente nas seguintes provas
Um técnico em eletrotécnica ajusta um multímetro comercial a uma escala de 200 V
CC e coloca as pontas de prova desse multímetro em uma tomada de 127Vrms AC. Considerando
que o multímetro é completamente isento de erros de medição e que apresenta uma boa precisão, a
leitura obtida no visor do multímetro é
Provas
Questão presente nas seguintes provas
Cadernos
Caderno Container