Foram encontradas 60 questões.
Considere-se um retificador de onda completa, a diodo, utilizando um
transformador com derivação central. Sabe-se que os dois secundários do transformador
apresentam tensões iguais, com valor de pico dado por Vp. O diodo deverá ser
especificado para suportar uma tensão de pico inversa de valor, no mínimo, igual a
Provas
Questão presente nas seguintes provas
Uma fonte CC está ligada, adequadamente, ao conjunto bobina de
relé em série com um transistor bipolar de junção (TBJ) do tipo NPN. Com a corrente de
base (IB) positiva, o TBJ é ligado (conduz), a bobina é energizada e o relé é acionado.
Com a IB caindo a zero, a bobina desenvolverá uma grande tensão sobre o transistor, o
que poderá destruí-lo. Para evitar isso, coloca-se um
Provas
Questão presente nas seguintes provas
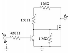
No circuito da figura, o transistor TBJ (transistor bipolar de junção) apresenta, na região linear, um ganho β = 140. Ao aplicar-se 5 V em VB, o valor de VD, em V, será

Provas
Questão presente nas seguintes provas
Ao ser conectado a uma tomada de 110V/60Hz, o valor médio da
tensão de saída de um retificador a diodos de onda completa, com carga resistiva, pode
ser considerado 100 V. Se for conectado um retificador a diodos de meia onda a uma
tomada de 220V/50Hz, a tensão média na carga será
Provas
Questão presente nas seguintes provas
Aplica-se uma fonte de tensão senoidal de 120 µV na entrada não
inversora de um amplificador operacional 741. Na entrada inversora, liga-se, para a terra,
um resistor de 2,4 kΩ e, entre essa entrada inversora e a saída, liga-se um resistor de 240
kΩ. A tensão a ser obtida e medida no terminal de saída será
Provas
Questão presente nas seguintes provas
Um transistor bipolar de junção (TBJ) NPN é polarizado por divisor de
tensão, sendo R1 = 20 kΩ o resistor que conecta a base à tensão VCC e R2 = 1 kΩ o
resistor que conecta a base ao GND (terra do circuito). Sendo Re = 100 Ω o resistor que
conecta o emissor ao GND, o mínimo valor do ganho do transistor, β, que permite aplicar
análise aproximada de polarização é
Provas
Questão presente nas seguintes provas
Um amperímetro de corrente contínua, analógico, permite medir até
100 A, no seu fim de escala, e tem uma resistência interna de 2 mΩ. Para medir uma
corrente de 600 A, deve-se utilizar uma resistência de shunt igual a
Provas
Questão presente nas seguintes provas
- Transformadores e Máquinas ElétricasMáquinas de Corrente Contínua
- Transformadores e Máquinas ElétricasMáquinas Síncronas
Sobre motores elétricos, é INCORRETO afirmar:
Provas
Questão presente nas seguintes provas
Um transformador de corrente (TC) tem uma relação de
transformação de 100/5. Se a corrente registrada no mostrador do amperímetro ligado a
esse transformador é 60A, a corrente que realmente passa no secundário do TC vale
Provas
Questão presente nas seguintes provas
Um medidor mensal de energia ativa (kWh) e um de energia reativa
(kvarh) estão instalados em uma subestação industrial de energia elétrica. O ângulo do
triângulo de potências que determinará o fator de potência médio, mensal, da instalação
será dado por
Provas
Questão presente nas seguintes provas
Cadernos
Caderno Container