Foram encontradas 50 questões.
- Conversores Analógicos Digitais (AD) e Digitais Analógicos (DAC)
- Eletrônica Analógica
- Eletrônica Digital
No contexto da eletrônica industrial, os conversores A/D (analógico para digital) são componentes essenciais
na interface entre sinais analógicos e digitais. Um dos métodos comuns de conversão é o de aproximações
sucessivas, utilizado para converter sinais analógicos em valores digitais binários.
Considere um conversor A/D de 8 bits, com uma resolução de 0,03. Sabendo-se que a entrada analógica é de 2,4V, calcule a tensão de referência (Vref) e determine o valor da saída digital (SD) representado em notação binária.
Assinale a alternativa CORRETA:
Considere um conversor A/D de 8 bits, com uma resolução de 0,03. Sabendo-se que a entrada analógica é de 2,4V, calcule a tensão de referência (Vref) e determine o valor da saída digital (SD) representado em notação binária.
Assinale a alternativa CORRETA:
Provas
Questão presente nas seguintes provas
No contexto da eletrônica digital, é comum implementar diferentes portas lógicas utilizando combinações de
outras portas básicas, com o objetivo de simplificar projetos ou atender restrições específicas de hardware.
Considere o circuito lógico apresentado na imagem abaixo, no qual o funcionamento de uma determinada
porta lógica é reproduzido utilizando apenas portas NOR.
Com base na análise do comportamento do circuito e na relação entre as entradas e a saída, identifique qual porta lógica é representada. Assinale a alternativa CORRETA:
Com base na análise do comportamento do circuito e na relação entre as entradas e a saída, identifique qual porta lógica é representada. Assinale a alternativa CORRETA:
Provas
Questão presente nas seguintes provas
No contexto da eletrônica industrial, amplificadores operacionais são amplamente utilizados para processar
sinais em diversos sistemas. Considere um circuito amplificador operacional na configuração apresentada na
imagem abaixo. Com uma resistência R1=470 Ω, uma resistência R2=4,7 kΩ, e uma tensão de entrada
Vin=10 V.
Assinale a alternativa CORRETA que representa a relação entre a tensão de saída (Vout) e a tensão de entrada (Vin) do circuito, também conhecida como ganho do circuito:
Assinale a alternativa CORRETA que representa a relação entre a tensão de saída (Vout) e a tensão de entrada (Vin) do circuito, também conhecida como ganho do circuito:
Provas
Questão presente nas seguintes provas
O desempenho e a vida útil dos equipamentos industriais, como os motores elétricos, dependem de diversos
fatores que podem comprometer seus componentes e eficiência operacional. Analisando as condições de
operação, sobreaquecimento e vibrações, considere as afirmações a seguir:
I - O sobreaquecimento significativo do motor pode comprometer drasticamente a vida útil dos isolantes. Entre as principais causas dessa degradação destacam-se: sobretensão na linha de alimentação, sobrecorrente durante as partidas e acúmulo de poeira, fatores que aceleram o desgaste térmico e elétrico dos materiais isolantes.
II - Vibrações anormais no motor podem reduzir seu rendimento, resultando em falhas no alinhamento, fixação inadequada na base, folgas excessivas nos mancais ou balanceamento incorreto das partes girantes, comprometendo a estabilidade e o desempenho do equipamento.
III - O religamento imediato do motor após desligamento provoca aumento excessivo da temperatura dos enrolamentos já aquecidos, devido à corrente elevada na partida, podendo superar os limites da classe de isolação, causar danos térmicos e comprometer a vida útil do equipamento.
A partir das afirmações acima, é CORRETO o que se afirma em:
I - O sobreaquecimento significativo do motor pode comprometer drasticamente a vida útil dos isolantes. Entre as principais causas dessa degradação destacam-se: sobretensão na linha de alimentação, sobrecorrente durante as partidas e acúmulo de poeira, fatores que aceleram o desgaste térmico e elétrico dos materiais isolantes.
II - Vibrações anormais no motor podem reduzir seu rendimento, resultando em falhas no alinhamento, fixação inadequada na base, folgas excessivas nos mancais ou balanceamento incorreto das partes girantes, comprometendo a estabilidade e o desempenho do equipamento.
III - O religamento imediato do motor após desligamento provoca aumento excessivo da temperatura dos enrolamentos já aquecidos, devido à corrente elevada na partida, podendo superar os limites da classe de isolação, causar danos térmicos e comprometer a vida útil do equipamento.
A partir das afirmações acima, é CORRETO o que se afirma em:
Provas
Questão presente nas seguintes provas
No contexto industrial, a eficiência operacional depende da aplicação adequada dos diferentes tipos de
manutenção conhecidos. O monitoramento preventivo e corretivo dos equipamentos é indispensável para
evitar falhas inesperadas e preservar a continuidade dos processos produtivos. Considerando as definições
de manutenção preditiva, corretiva e preventiva, analise as afirmações a seguir:
I - A manutenção preditiva monitora as condições reais de operação das máquinas por meio de técnicas de análise e supervisão, visando prever falhas, reduzir a manutenção preventiva e eliminar a manutenção corretiva, garantindo a qualidade do serviço e o acompanhamento do desgaste ou degradação dos componentes.
II - Manutenção corretiva é aquela que é efetuada após a ocorrência de uma pane, sendo destinada a recolocar o equipamento em questão em condições de executar a sua função requerida para o processo.
III - A manutenção preventiva é realizada em intervalos planejados, ou conforme critérios definidos, com paradas programadas para minimizar falhas e preservar o desempenho do equipamento, seguindo padrões previamente estabelecidos, que visam evitar a degradação funcional dos componentes.
A partir das afirmações acima, é CORRETO o que se afirma em:
I - A manutenção preditiva monitora as condições reais de operação das máquinas por meio de técnicas de análise e supervisão, visando prever falhas, reduzir a manutenção preventiva e eliminar a manutenção corretiva, garantindo a qualidade do serviço e o acompanhamento do desgaste ou degradação dos componentes.
II - Manutenção corretiva é aquela que é efetuada após a ocorrência de uma pane, sendo destinada a recolocar o equipamento em questão em condições de executar a sua função requerida para o processo.
III - A manutenção preventiva é realizada em intervalos planejados, ou conforme critérios definidos, com paradas programadas para minimizar falhas e preservar o desempenho do equipamento, seguindo padrões previamente estabelecidos, que visam evitar a degradação funcional dos componentes.
A partir das afirmações acima, é CORRETO o que se afirma em:
Provas
Questão presente nas seguintes provas
No contexto de sistemas industriais, transistores são amplamente utilizados em circuitos chaveados para
controle de tensão e potência em cargas resistivas. Considere um conversor CC-CC com chave ideal (S1 )
representada por um transistor, alimentado por uma fonte de 20V (Vi ) e conectado a uma carga de 10Ω (R0).
A frequência de comutação do circuito é de 1kHz (f), e a razão cíclica (D) do transistor é de 40%. Com base
nesses parâmetros, calcule a tensão média aplicada à carga (V0) e determine os tempos de comutação total
(TS ), condução (Ton) e bloqueio (T0ff) do transistor no circuito.
De acordo com as afirmações acima, assinale a alternativa CORRETA:
De acordo com as afirmações acima, assinale a alternativa CORRETA:
Provas
Questão presente nas seguintes provas
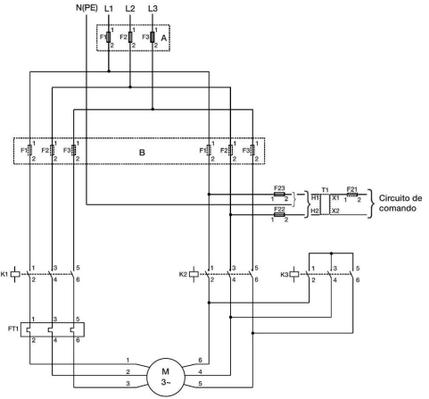
Em aplicações industriais, motores elétricos podem ser projetados para operar em dupla tensão (220/380 V),
permitindo flexibilidade na instalação conforme a disponibilidade da rede. O circuito de partida de um motor
com seis bornes de ligação pode utilizar uma configuração que reduza a corrente de partida, preservando o
sistema elétrico e garantindo a aceleração adequada da carga.
Considere um motor trifásico alimentado por um circuito, conforme diagrama abaixo:
Fonte: GRUPO WEG. Motores elétricos: guia de especificação. Unidade Motores. Rev. 11. Cód. 50032749. Jaraguá do Sul: WEG, set. 2012. [Figura 3.8].
Considere os seguintes componentes no circuito de partida:
- Fusíveis de força: F1, F2, F3
- Fusíveis de comando: F21 e F22
- Transformador de comando: T1
- Contatores: K1, K2 e K3
- Relé de sobrecarga: FT1
- Motor: M1
Com base nas características descritas, e no esquema típico de ligação para dupla tensão, selecione a alternativa CORRETA:
Considere um motor trifásico alimentado por um circuito, conforme diagrama abaixo:
Fonte: GRUPO WEG. Motores elétricos: guia de especificação. Unidade Motores. Rev. 11. Cód. 50032749. Jaraguá do Sul: WEG, set. 2012. [Figura 3.8].
Considere os seguintes componentes no circuito de partida:
- Fusíveis de força: F1, F2, F3
- Fusíveis de comando: F21 e F22
- Transformador de comando: T1
- Contatores: K1, K2 e K3
- Relé de sobrecarga: FT1
- Motor: M1
Com base nas características descritas, e no esquema típico de ligação para dupla tensão, selecione a alternativa CORRETA:
Provas
Questão presente nas seguintes provas
Em uma instalação industrial trifásica, diversos fatores podem afetar o funcionamento e a proteção dos
motores elétricos. Considerando a montagem e instalação desses motores, avalie as afirmações abaixo:
I - Para alterar o sentido de rotação do eixo de um motor elétrico trifásico, é necessário inverter a sequência de fases, o que pode ser feito trocando a posição de duas das fases (entre si) conectadas ao motor.
II - Em caso de falha que resulte na falta de uma fase em uma instalação industrial trifásica, é possível afirmar que isso pode danificar os motores ligados em estrela, mas não apresenta riscos para motores ligados em triângulo.
III - Caso a tensão da rede elétrica apresente uma elevação significativa em relação à tensão nominal, o sistema de proteção que conta apenas com fusíveis no circuito de força do motor é adequado para garantir o desligamento do equipamento.
A partir das afirmações acima, é CORRETO o que se afirma em:
I - Para alterar o sentido de rotação do eixo de um motor elétrico trifásico, é necessário inverter a sequência de fases, o que pode ser feito trocando a posição de duas das fases (entre si) conectadas ao motor.
II - Em caso de falha que resulte na falta de uma fase em uma instalação industrial trifásica, é possível afirmar que isso pode danificar os motores ligados em estrela, mas não apresenta riscos para motores ligados em triângulo.
III - Caso a tensão da rede elétrica apresente uma elevação significativa em relação à tensão nominal, o sistema de proteção que conta apenas com fusíveis no circuito de força do motor é adequado para garantir o desligamento do equipamento.
A partir das afirmações acima, é CORRETO o que se afirma em:
Provas
Questão presente nas seguintes provas
Em sistemas elétricos, os transformadores de corrente (TCs) e transformadores de potencial (TPs)
desempenham papéis essenciais, cada um com uma função específica. Os TCs são utilizados para medir e
proteger contra sobrecargas de corrente, enquanto os TPs são fundamentais para isolar e medir tensões de
sistemas de alta tensão, garantindo segurança e a adequada operação dos dispositivos de proteção.
Considerando as funções e características desses transformadores, qual das alternativas abaixo está
CORRETA?
Provas
Questão presente nas seguintes provas
Os motores de indução trifásicos são amplamente utilizados na indústria devido à sua eficiência, robustez e
simplicidade de operação. Esses motores convertem energia elétrica em energia mecânica, sendo essenciais
para o acionamento de máquinas e equipamentos. Para calcular a corrente de linha de um motor trifásico em
operação, é necessário conhecer parâmetros como potência nominal, eficiência, fator de potência e tensão
de alimentação.
Um motor de indução trifásico possui uma potência nominal de 11 kW e está operando em plena carga. O motor apresenta uma eficiência de 90% durante o funcionamento, o que significa que 10% da energia elétrica consumida é perdida, principalmente na forma de calor. Além disso, o fator de potência do motor (FP) é de √3/2 (indutivo), indicando que há uma defasagem entre a corrente e a tensão no sistema. A tensão eficaz aplicada entre as linhas do motor é de 380 V.
Com base nas condições descritas, assinale a alternativa que apresenta o módulo da corrente elétrica de linha que o motor consome em funcionamento pleno:
Um motor de indução trifásico possui uma potência nominal de 11 kW e está operando em plena carga. O motor apresenta uma eficiência de 90% durante o funcionamento, o que significa que 10% da energia elétrica consumida é perdida, principalmente na forma de calor. Além disso, o fator de potência do motor (FP) é de √3/2 (indutivo), indicando que há uma defasagem entre a corrente e a tensão no sistema. A tensão eficaz aplicada entre as linhas do motor é de 380 V.
Com base nas condições descritas, assinale a alternativa que apresenta o módulo da corrente elétrica de linha que o motor consome em funcionamento pleno:
Provas
Questão presente nas seguintes provas
Cadernos
Caderno Container