Foram encontradas 40 questões.
Com relação aos conhecimentos básicos sobre circuitos elétricos, assinale a alternativa INCORRETA.
Provas
Uma tensão senoidal varia de zero a 10V em um determinado ponto de um circuito elétrico. Assinale a alternativa que apresenta o valor mais aproximado das somas das tensões instantâneas quando no ciclo estivermos a 30º, 45º e 90º. Use, se necessário, √2=1,4 e √3=1,7.
Provas
A figura abaixo ilustra um circuito eletrônico. Considerando os dados apresentados na figura e sabendo que Ib=1,46mA e Ie=16mA, assinale a alternativa que apresenta o valor mais aproximado da tensão VO.

Provas
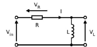
A figura abaixo representa um circuito RL em série. Assinale a alternativa que apresenta o valor mais aproximado da frequência na qual o filtro irá atenuar a tensão do sinal Vin para sua metade, considerando R=10 kΩ, L=20 mH.

Provas
A figura abaixo representa um circuito RC em série. Assinale a alternativa que apresenta o valor mais aproximado da tensão sobre o capacitor, considerando R=10 kΩ, C=100 \( \mu \)F e Vin=9 VDC.

Provas
Considere uma Ponte de Wheatstone, conforme a figura abaixo, com Vin=10V, Ra=3Ω, Rb=6Ω e Rc=12Ω. Assinale a alternativa que apresenta o valor mais aproximado de Rx para que Vb=0.

Provas
No circuito elétrico representado abaixo, R é um resistor com potência de dissipação de ¼ de Watt, que apresenta, na ordem, as faixas marrom, preta, marrom e dourada, mas que ao ser submetido a dissipar uma potência maior do que ¼ de Watt, queimou. Assinale a alternativa que apresenta o valor mais provável da tensão fornecida pela fonte no momento em que o resistor queimou.

Provas
Certo equipamento, ao ser alimentado com 110V em corrente contínua, dissipa uma potência igual a 55W. Qual a resistência interna deste produto, em condições ideais?
Provas
A figura abaixo ilustra um circuito elétrico. Considerando que V1=6V; R1=R2=6Ω; R3=R5=15Ω; R4=3Ω, assinale a alternativa que apresenta o valor mais aproximado do produto dos valores das correntes de R1, R2, R3, R4 e R5.

Provas
A figura abaixo ilustra um circuito elétrico. Considerando que V1=6V; R1=R2=6Ω; R3=R5=15Ω; R4=3Ω; assinale a alternativa que apresenta o valor mais aproximado da queda de tensão em R4.

Provas
Caderno Container