Foram encontradas 1.517 questões.
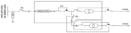
A figura apresenta as plantas de uma subestação abrigada de energia em tensão primária com potência superior a 300 kVA. Observe as plantas da figura para responder à questão.


CEEE-D – Companhia Estadual de Distribuição de Energia Elétrica; AESSUL Distribuidora Gaúcha de Energia S. A.; RGE Rio Grande Energia S.A. RIC-MT:
Regulamento de instalações consumidoras: Média Tensão – Até 25 kV. Porto Alegre, 2008. p. 70.
Considerando que o retângulo com linha contínua representa ambiente abrigado, qual diagrama unifilar descreve a representação genérica da subestação, de acordo com as plantas?
Provas
O Regulamento de Instalações Consumidoras em Média Tensão (RIC-MT) das concessionárias de energia elétrica CEEE, AESSUL e RGE estabelece que a subestação de entrada de energia deve ser instalada
Provas
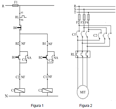
As figuras a seguir apresentam, respectivamente, os diagramas de comando e de potência para acionamento de um motor de indução trifásico. Analise-as para responder a questão.

Nos diagramas, o componente denominado RL é um relé térmico, cuja função é proteger
Provas
As figuras a seguir apresentam, respectivamente, os diagramas de comando e de potência para acionamento de um motor de indução trifásico. Analise-as para responder a questão.

Conforme representado nas figuras,
Provas
A figura que se segue apresenta a estrutura hierárquica dos elementos funcionais dos subsistemas de cabeamento em edifícios comerciais, segundo a norma NBR 14.565 da ABNT, acerca de cabeamento estruturado para edifícios comerciais e data centers.

Os subsistemas indicados na figura como subsistemas A, B e C são, respectivamente, os subsistemas de cabeamento
Provas
A figura a seguir foi retirada do Regulamento de Instalações Consumidoras em Baixa Tensão (RIC-BT) das concessionárias de energia elétrica CEEE, AESSUL e RGE. As informações de altura foram propositadamente removidas.

CEEE-D – Companhia Estadual de Distribuição de Energia Elétrica; AESSUL Distribuidora Gaúcha de Energia S. A.; RGE Rio Grande Energia S.A. RIC-BT: Regulamento de instalações consumidoras: Fornecimento em tensão secundária – Rede aérea de distribuição. Versão 1.4. Porto Alegre, 2012. p. 118.
O RIC-BT estabelece que é de 3,50 m a altura mínima para
Provas
Segundo a norma NBR 5410 da ABNT, o critério da queda de tensão é um dos critérios técnicos para dimensionamento de condutores em circuitos elétricos de instalações de baixa tensão. Segundo esse critério,
Provas
Segundo a norma NBR 5410 da ABNT, quando massas ou partes condutivas acessíveis tornam-se acidentalmente vivas, o meio destinado a suprir a proteção contra choques elétricos é denominado de proteção
Provas
A figura apresenta um sistema de ligações equipotenciais cuja finalidade é proteger contra a ocorrência de choques elétricos. Nela, M designa a massa e EC designa o elemento condutivo da edificação.

SOUZA, José Rubens Alves de; MORENO, Hilton. Guia EM da NBR 5410. Revista Eletricidade Moderna. São Paulo: Aranda Editora Técnica e Cultural, 2001. p. 49.
As conexões designadas pelas letras LX e LY na figura são denominadas, respectivamente,
Provas
Conforme o Regulamento de Instalações Consumidoras em Baixa Tensão (RIC-BT) das concessionárias de energia elétrica CEEE, AESSUL e RGE,
Provas
Caderno Container