Foram encontradas 80 questões.
Respondida
Internet: <www.petecv.ufsc.br> (com adaptações).
A figura acima mostra, em planta e corte, o projeto da estrutura de fundação de uma construção. Com base na interpretação desse projeto, assinale a opção correta.
Respondida
A legislação determina o modo como as folhas (de papel) para desenho técnico devem ser utilizadas e dobradas.
Respondida
E. Cantarelli. Desenho técnico. URI, 2006 (com adaptações).
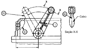
A figura acima representa graficamente determinada peça.
Assinale a opção em que há correta correspondência entre número e linha indicada no desenho.
Respondida
Internet: <www.tramac.com.br>.
A tarefa de compactação em obras de terraplenagem exige equipamento compatível com as especificações do projeto, tal como o apresentado na figura acima.
O equipamento ilustrado nessa figura
Respondida
Figura I
Figura II
Equipamentos para topografia têm uso específico, devendo ser escolhidos em função da tarefa a ser realizada.
Considerando as figuras I e II acima, que apresentam dois equipamentos empregados nos trabalhos topográficos, assinale a opção correta.
Respondida
Com relação à figura acima, que mostra uma janela do Internet Explorer 6 (IE6), e às funcionalidades desse software, assinale a opção correta.
A
Ao se clicar o botão
, é aberto um editor de html, que tem por função permitir a criação de páginas da Web por meio dessa linguagem.
B
O
menu apresenta comandos com funcionalidades que permitem, entre outras coisas, exibir ou esconder algumas barras de ferramentas do IE6.
C
Ao se clicar o botão
, é aberto o Outlook Express, que é um programa que permite o envio e o recebimento de mensagens de
e-mail.
D
Pela observação da figura, é possível afirmar que o IE6 está em um modo de edição de páginas em html. Nessa situação, a função do botão
é permitir que o usuário insira um
hyperlink na página em edição.
Respondida
Com respeito a conceitos relacionados à Internet e a correio eletrônico, assinale a opção correta.
A
A seguinte seqüência de caracteres possui uma estrutura típica de URL de páginas da Web brasileiras: www.com.empresa.bra.
B
A estrutura típica de um endereço de e-mail de uma pessoa que trabalha em empresa localizada nos Estados Unidos da América é: empresa#pessoa.com.usa.
C
A World Wide Web (www) tem-se tornado uma fonte de informações e de conhecimentos para cidadãos de vários países.
D
Todas as mensagens da Internet que são enviadas do Brasil para o exterior passam, necessariamente, por um roteador central, controlado pelo governo federal e localizado em Brasília, para serem, então, enviadas aos destinatários, quando passam, necessariamente, por esse mesmo mecanismo, controlado pelo governo do país de destino.
Respondida
A figura acima mostra um slide de uma apresentação em uma janela do PowerPoint 2002. Com relação a essa figura e ao PowerPoint 2002, assinale a opção correta.
A
Para diminuir o recuo do tópico que contém a palavra “Pesquisa”, afastando-a mais para a esquerda, é suficiente clicar essa palavra e, em seguida, clicar o botão
.
B
Os botões
permitem aumentar e diminuir o tamanho da fonte de um texto selecionado.
C
Para maximizar a janela mostrada, de forma que ela ocupe toda a tela do monitor de vídeo, é suficiente alterar para 100 o número 28, na caixa
.
D
O botão
permite exibir ou ocultar linhas de grade que se superpõem ao conteúdo do
slide e que são impressas quando o
slide é impresso.
Respondida
A figura acima ilustra uma janela do Excel 2002 que está sendo executada em um computador com o sistema operacional Windows XP.
Ainda com relação à janela do Excel mostrada no texto, considere a seguinte seqüência de ações: clicar a célula F4; digitar =$C3+D$4 e teclar ; clicar novamente a célula F4; clicar ; clicar a célula E3; clicar . Após essa seqüência de ações, os conteúdos das células E3 e F4 serão, respectivamente,
Respondida
A figura acima ilustra uma janela do Excel 2002 que está sendo executada em um computador com o sistema operacional Windows XP.
Com relação à janela mostrada na figura acima e ao Excel 2002, assinale a opção correta.
A
O trecho a seguir descreve corretamente uma forma de alterar para a cor amarela a fonte usada nos conteúdos das células
A2, A3 e
A4: selecionar as referidas células; clicar
, fazendo que seja exibida uma caixa com diversas opções de cores; selecionar a cor amarela.
B
Para inserir uma nova linha, em branco, entre as linhas 3 e 4, movendo-se a linha 4 uma posição abaixo, é suficiente selecionar a linha 3 e, em seguida, clicar
.
C
Ao se clicar o botão
, será criada uma nova planilha com conteúdo exatamente igual ao da planilha Operações, cujo nome será Operações2.
D
Após selecionar as células
D2, D3 e
D4 e clicar
, o número 9 será exibido na célula
D5 .