Foram encontradas 1.077 questões.
Nos relés de sobrecorrente, acoplada ao cursor de arraste onde se apoiam as lâminas bimetálicas principais, há uma lâmina bimetálica auxiliar cuja função é
Provas
Questão presente nas seguintes provas
Considere o circuito abaixo.

Para VR3 tem-se o valor, em V, de

Para VR3 tem-se o valor, em V, de
Provas
Questão presente nas seguintes provas
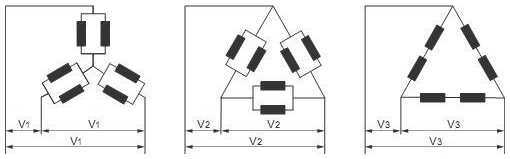
Considere um motor trifásico projetado para funcionar com tripla tensão nominal 220 V, 380 V e 440 V. Cada uma das ligações apresentadas abaixo permite a operação com uma das tensões.

Os valores de
estão corretos em:

Os valores de
estão corretos em: Provas
Questão presente nas seguintes provas
A figura abaixo mostra a placa incompleta de um motor monofásico de indução.

Visto que a rede local é de 380/220 V, 60 Hz, a corrente de partida no modo direto vale, em A, aproximadamente,

Visto que a rede local é de 380/220 V, 60 Hz, a corrente de partida no modo direto vale, em A, aproximadamente,
Provas
Questão presente nas seguintes provas
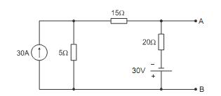
Considere o circuito abaixo.
A corrente em um resistor de 10 Ω, conectado entre os pontos A e B, é
A corrente em um resistor de 10 Ω, conectado entre os pontos A e B, é
Provas
Questão presente nas seguintes provas
Considere o símbolo abaixo definido pela NBR 5410 como um dos métodos de instalação:

O símbolo refere-se a

O símbolo refere-se a
Provas
Questão presente nas seguintes provas
Considere o esquema unifilar abaixo.

Considere as descrições de circuitos fornecidas abaixo:
I. três tomadas baixas e 4 tomadas médias, todas bifásicas.
II. quatro tomadas baixas e três tomadas médias, todas monofásicas.
III. uma tomada alta bifásica.
IV. três tomadas altas monofásicas.
V. duas lâmpadas paralelas com dois pontos de comando.
VI. duas lâmpadas paralelas com três pontos de comando e duas outras lâmpadas, cada uma com um ponto de comando independente.
VII. duas lâmpadas paralelas com dois pontos de comando e duas outras lâmpadas, cada uma com dois pontos de comando independentes.
Os três circuitos que compõem a instalação elétrica estão expressos em:

Considere as descrições de circuitos fornecidas abaixo:
I. três tomadas baixas e 4 tomadas médias, todas bifásicas.
II. quatro tomadas baixas e três tomadas médias, todas monofásicas.
III. uma tomada alta bifásica.
IV. três tomadas altas monofásicas.
V. duas lâmpadas paralelas com dois pontos de comando.
VI. duas lâmpadas paralelas com três pontos de comando e duas outras lâmpadas, cada uma com um ponto de comando independente.
VII. duas lâmpadas paralelas com dois pontos de comando e duas outras lâmpadas, cada uma com dois pontos de comando independentes.
Os três circuitos que compõem a instalação elétrica estão expressos em:
Provas
Questão presente nas seguintes provas
- Instalações ElétricasEquipamentos em Baixa Tensão
- Transformadores e Máquinas ElétricasMáquina de Indução
Para a proteção de circuitos de alimentação de motores trifásicos com rotor gaiola, o dispositivo mais adequado é o
Provas
Questão presente nas seguintes provas
Tipo de eletroduto mais adequado para instalação aparente de cargas que produzem elevadas vibrações, como em ramais de alimentação de máquinas e motores:
Provas
Questão presente nas seguintes provas
- Instalações ElétricasAterramentos
- Normas TécnicasNBRsNBR 5410: Instalações Elétricas de Baixa Tensão
Considere:
I. Esquema de aterramento em que o neutro do secundário do transformador de alimentação é diretamente aterrado, mas os condutores neutro e de proteção (PE) seguem separados em toda a instalação.
II. Esquema de aterramento em que o neutro do secundário do transformador é completamente isolado da terra ou é aterrado por uma impedância de valor elevado.
Os códigos desses sistemas de aterramento são, respectivamente,
I. Esquema de aterramento em que o neutro do secundário do transformador de alimentação é diretamente aterrado, mas os condutores neutro e de proteção (PE) seguem separados em toda a instalação.
II. Esquema de aterramento em que o neutro do secundário do transformador é completamente isolado da terra ou é aterrado por uma impedância de valor elevado.
Os códigos desses sistemas de aterramento são, respectivamente,
Provas
Questão presente nas seguintes provas
Cadernos
Caderno Container