Foram encontradas 435 questões.
Instruções: Para responder às questões de números 49 e 50, utilize as informações abaixo.

I. resistência característica fck = 15 Mpa
II. desvio padrão da dosagem sd = 6,0 Mpa
III. idade do concreto em que será exigida a resistência característica = 28 dias
IV. cimento CP 25
A resistência de dosagem do concreto, em MPa, é aproximadamente:
Provas
- EstruturasAnálise Estrutural
- Resistência dos Materiais e Análise EstruturalEstabilidade de sistemas estruturais
Instruções: Para responder às questões de números 49 e 50, utilize as informações abaixo.

I. resistência característica fck = 15 Mpa
II. desvio padrão da dosagem sd = 6,0 Mpa
III. idade do concreto em que será exigida a resistência característica = 28 dias
IV. cimento CP 25
O fator água/cimento para a mistura é:
Provas
São causas de fissuras no concreto que podem ocorrer tanto no estado plástico (antes do endurecimento) como após o endurecimento.
I. Rápida perda de água em tempo seco, quente ou com ventos fortes.
II. Sedimentação.
III. Movimentação da forma.
IV. Concentração de forças.
V. Cobrimento insuficiente da armadura.
É correto afirmar que
Provas
O diagrama correto de momentos fletores da viga apoiada engastada é:

Provas
Considere a figura abaixo.

Na laje retangular da figura, com carga vertical uniformemente distribuída, é correto afirmar que
Provas
O cobrimento mínimo, sugerido pelas normas da ABNT, para armaduras em vigas e pilares revestidos ao ar livre é, em cm,
Provas
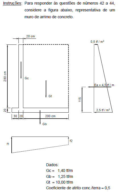
Instruções: Para responder às questões de números 42 a 44, considere a figura abaixo, representativa de um muro de arrimo de concreto.

As tensões no solo, f1 e f2, em tf/m2 são, respectiva e aproximadamente:

Provas
Instruções: Para responder às questões de números 42 a 44, considere a figura abaixo, representativa de um muro de arrimo de concreto.

O coeficiente de segurança ao tombamento é, aproximadamente:
Provas
Instruções: Para responder às questões de números 42 a 44, considere a figura abaixo, representativa de um muro de arrimo de concreto.

O coeficiente de segurança ao deslizamento é, aproximadamente:
Provas
As tensões básicas recomendadas pela Norma Brasileira para areias medianamente compactas e argilas médias são, respectivamente, em MPa:
Provas
Caderno Container