Foram encontradas 120 questões.
Considerando que um sistema linear tenha a função de transferência dada por \( G(s)={\large{3 \over s(s+2)}} \), julgue o item a seguir, a respeito de teoria de controle.
A propriedade da decomposição em sistemas lineares é a combinação das propriedades da homogeneidade e da aditividade.
Provas
- Sistemas Elétricos de PotênciaAnálise de SEPAnálise de Curto-circuitos
- Sistemas Elétricos de PotênciaAnálise de SEPFluxo de Potência, Estabilidade e Regulação
Considerando que um sistema linear tenha a função de transferência dada por \( G(s)={\large{3 \over s(s+2)}} \), julgue o item a seguir, a respeito de teoria de controle.
Na análise de uma transformada Z, é conveniente considerá-la unilateral, uma vez que a transformada bilateral pode não apresentar unicidade da transformada inversa.
Provas
RAM é uma memória não volátil utilizada em microcomputadores para armazenar permanentemente os dados necessários para o funcionamento do sistema operacional e dos aplicativos.
Provas
- Eletromagnetismo
- Instalações Elétricas
- Sistemas Elétricos de PotênciaAnálise de SEP
- Sistemas Elétricos de PotênciaDistribuição de Energia Elétrica
No cenário I, a largura de banda do canal limita diretamente a taxa máxima de transmissão de informações; no cenário II, a comutação de pacotes permite o uso eficiente de recursos da rede, sem introduzir o inconveniente de se ter uma latência variável.
Provas
A menor variação de tensão (VLSBV) que pode ser detectada pelo conversor analógico/digital é igual a 1,22 mV.
Provas

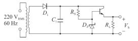
A tensão de saída, VS, sobre o resistor de carta RL, é inferior a 12 V.
Provas
| A | B | C | D | S |
| 0 | 0 | 0 | 0 | 0 |
| 0 | 0 | 0 | 1 | 0 |
| 0 | 0 | 1 | 0 | 0 |
| 0 | 0 | 1 | 1 | 1 |
| 0 | 1 | 0 | 0 | 0 |
| 0 | 1 | 0 | 1 | 0 |
| 0 | 1 | 1 | 0 | 0 |
| 0 | 1 | 1 | 1 | 1 |
| 1 | 0 | 0 | 0 | 0 |
| 1 | 0 | 0 | 1 | 0 |
| 1 | 0 | 1 | 0 | 0 |
| 1 | 0 | 1 | 1 | 1 |
| 1 | 1 | 0 | 0 | 1 |
| 1 | 1 | 0 | 1 | 1 |
| 1 | 1 | 1 | 0 | 1 |
| 1 | 1 | 1 | 1 | 1 |
Com base na tabela verdade precedente, na qual os sinais A, B, C e D representam variáveis binárias de entrada, e S representa a variável de saída de um circuito digital combinacional, julgue o item a seguir.
É possível realizar a função lógica correspondente à tabela verdade com o uso de um multiplexador de 16 para 1, sem o uso de componentes adicionais.
Provas
| A | B | C | D | S |
| 0 | 0 | 0 | 0 | 0 |
| 0 | 0 | 0 | 1 | 0 |
| 0 | 0 | 1 | 0 | 0 |
| 0 | 0 | 1 | 1 | 1 |
| 0 | 1 | 0 | 0 | 0 |
| 0 | 1 | 0 | 1 | 0 |
| 0 | 1 | 1 | 0 | 0 |
| 0 | 1 | 1 | 1 | 1 |
| 1 | 0 | 0 | 0 | 0 |
| 1 | 0 | 0 | 1 | 0 |
| 1 | 0 | 1 | 0 | 0 |
| 1 | 0 | 1 | 1 | 1 |
| 1 | 1 | 0 | 0 | 1 |
| 1 | 1 | 0 | 1 | 1 |
| 1 | 1 | 1 | 0 | 1 |
| 1 | 1 | 1 | 1 | 1 |
Com base na tabela verdade precedente, na qual os sinais A, B, C e D representam variáveis binárias de entrada, e S representa a variável de saída de um circuito digital combinacional, julgue o item a seguir.
A expressão lógica mínima que implementa, na forma soma de produtos, a tabela verdade é dada por S = A ∙ B + C ∙D.
Provas

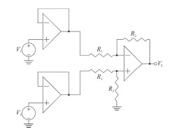
Para o circuito, V3 = 10(V2 - V1).
Provas

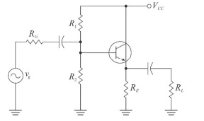
A partir das informações precedentes, julgue o item a seguir.
O amplificador apresentado está na configuração coletor comum e tem ganho unitário; a sua impedância de entrada, que é a impedância efetivamente vista pelo sinal senoidal provido pela fonte vg, que transpõe o capacitor de acoplamento, é inferior a 5 kΩ.
Provas
Caderno Container