Foram encontradas 448 questões.
- Estruturas
- Gerenciamento, Planejamento e Controle de Obras
- Resistência dos Materiais e Análise EstruturalEstruturas de Concreto
- Orçamento no Planejamento e Controle de Obras na Engenharia Civil
Atenção: Para responder as questões de números 49 e 50 utilize as informações abaixo.
A tabela representa o detalhamento de custos para o m3 de concreto utilizado em uma determinada obra. A posição de
importância (peso) que cada item tem no valor de 1,0 m3 é indicada pelas colunas ABC-1 e ABC-2 que são, respectivamente,
relacionadas ao concreto usinado e ao concreto virado em obra. Ambas as colunas respeitam o conceito de curva ABC, representado
pelo gráfico genérico ao lado da tabela.
Não foram levados em consideração o BDI e o peso da mão de obra, visto tratarem-se de valores tidos como idênticos.
A produtividade, porém, é de 1,0 m3/hora de concreto virado em obra para 8,0 m3/hora de concreto usinado.

Três formas convencionais precisam ser montadas para o correto lançamento de concreto usinado, a saber: A tabela representa o detalhamento de custos para o m3 de concreto utilizado em uma determinada obra. A posição de
importância (peso) que cada item tem no valor de 1,0 m3 é indicada pelas colunas ABC-1 e ABC-2 que são, respectivamente,
relacionadas ao concreto usinado e ao concreto virado em obra. Ambas as colunas respeitam o conceito de curva ABC, representado
pelo gráfico genérico ao lado da tabela.
Não foram levados em consideração o BDI e o peso da mão de obra, visto tratarem-se de valores tidos como idênticos.
A produtividade, porém, é de 1,0 m3/hora de concreto virado em obra para 8,0 m3/hora de concreto usinado.

I. Viga de 8,0 m × 0,2 m × 0,5 m (comprimento x largura x altura) sobre laje, com 2,5 m de pé-direito.
II. Viga de 4,0 m × 0,3 m × 0,7 m (comprimento x largura x altura) sobre laje, com 4,0 m de pé-direito.
III. Pilar retangular de 0,7 m × 0,2 m × 6,0 m (largura x espessura x altura) sobre bloco de fundação.
Com base nas informações, é correto afirmar:
Provas
Questão presente nas seguintes provas
- Gerenciamento, Planejamento e Controle de Obras
- Orçamento no Planejamento e Controle de Obras na Engenharia Civil
Atenção: Para responder as questões de números 49 e 50 utilize as informações abaixo.
A tabela representa o detalhamento de custos para o m3 de concreto utilizado em uma determinada obra. A posição de
importância (peso) que cada item tem no valor de 1,0 m3 é indicada pelas colunas ABC-1 e ABC-2 que são, respectivamente,
relacionadas ao concreto usinado e ao concreto virado em obra. Ambas as colunas respeitam o conceito de curva ABC, representado
pelo gráfico genérico ao lado da tabela.
Não foram levados em consideração o BDI e o peso da mão de obra, visto tratarem-se de valores tidos como idênticos.
A produtividade, porém, é de 1,0 m3/hora de concreto virado em obra para 8,0 m3/hora de concreto usinado.

Com base nas informações fornecidas, os pesos aproximados dos serviços de CONCRETO, AÇO e FORMAS+CIMBRA- MENTOS são: A tabela representa o detalhamento de custos para o m3 de concreto utilizado em uma determinada obra. A posição de
importância (peso) que cada item tem no valor de 1,0 m3 é indicada pelas colunas ABC-1 e ABC-2 que são, respectivamente,
relacionadas ao concreto usinado e ao concreto virado em obra. Ambas as colunas respeitam o conceito de curva ABC, representado
pelo gráfico genérico ao lado da tabela.
Não foram levados em consideração o BDI e o peso da mão de obra, visto tratarem-se de valores tidos como idênticos.
A produtividade, porém, é de 1,0 m3/hora de concreto virado em obra para 8,0 m3/hora de concreto usinado.

Provas
Questão presente nas seguintes provas
Atenção: Para responder às questões de números 45 a 48 considere as informações do esquema abaixo.

A respeito das instalações de esgoto, considere: 
I. Para a correta execução das ligações entre os tubos e conexões, é necessário o uso de anéis de vedação de borracha, instalados dentro das bolsas que existem nas peças que compõem os ramais sanitários.
II. Além do uso dos anéis de borracha, deve-se sempre fazer uso de solução limpadora e cola de PVC entre todas as partes plásticas e conexões, evitando o contado da cola com os anéis de borracha.
III. Em instalações prediais, especialmente nas bases das colunas de esgoto, devem ser utilizadas conexões de ferro fundido, com adaptadores bolsa-rosca, fazendo a transição entre o ferro e o PVC.
É correto o que se afirma em
Provas
Questão presente nas seguintes provas
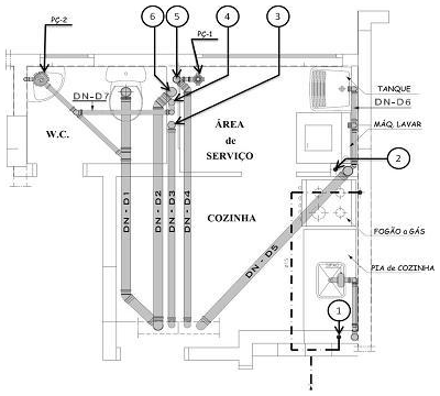
Atenção: Para responder às questões de números 45 a 48 considere as informações do esquema abaixo.

Considerando os critérios estabelecidos em normas técnicas e sabendo-se que o projeto deve atender o menor custo, associado ao desempenho adequado, as medidas, em mm, de D1, D2, D6 e D7 no projeto de instalações de esgoto apresentado são, respectivamente, 
Provas
Questão presente nas seguintes provas
- Arquitetura na Engenharia CivilConforto Ambiental
- Desenho Técnico na Engenharia Civil
- Instalações em Engenharia CivilInstalações Hidrosanitárias
Atenção: Para responder às questões de números 45 a 48 considere as informações do esquema abaixo.

Com base no projeto de instalações de esgoto, a simbologia de ventilação é representada APENAS em 
Provas
Questão presente nas seguintes provas
Atenção: Para responder às questões de números 45 a 48 considere as informações do esquema abaixo.

Os elementos indicados por PÇ-1, PÇ-2 e 1 representam, respectivamente:
Provas
Questão presente nas seguintes provas
Atenção: Para responder às questões de números 41 a 44 utilize as informações contidas no corte esquemático da instalação predial representado na figura, no texto e nas tabelas abaixo.


Analise as afirmativas abaixo. 

I. H1 deve ser maior que 15,0 m para que o sistema receba, pelo menos, a carga hidráulica mínima, com a lâmina d'água mantida a 1,0 mca.
II. A torneira T1 não poderá funcionar, sem que ocorra uma perda de carga entre II e III, mesmo após a definição de H1 garantir o funcionamento do chuveiro.
III. Se o diâmetro entre o trecho VI e XII for igual a 32 mm o chuveiro funcionará com H1 sendo igual a 11 mca e a lâmina d'água igual a 1,0 mca.
Está correto o que se afirma APENAS em
Provas
Questão presente nas seguintes provas
Atenção: Para responder às questões de números 41 a 44 utilize as informações contidas no corte esquemático da instalação predial representado na figura, no texto e nas tabelas abaixo.


Em relação ao funcionamento do chuveiro é correto afirmar: 

Provas
Questão presente nas seguintes provas
Atenção: Para responder às questões de números 41 a 44 utilize as informações contidas no corte esquemático da instalação predial representado na figura, no texto e nas tabelas abaixo.


Com base no esquema da instalação hidráulica, considere: 

I. As torneiras T2 e T3 terão a mesma carga hidráulica, apenas quando forem abertas ao mesmo tempo.
II. A carga hidráulica disponível para T2 e T3 é idêntica, estando as duas abertas ou fechadas.
III. As torneiras T2 e T3 sofrerão decréscimo de carga hidráulica quando o chuveiro estiver aberto.
Está correto o que se afirma APENAS em
Provas
Questão presente nas seguintes provas
Atenção: Para responder às questões de números 41 a 44 utilize as informações contidas no corte esquemático da instalação predial representado na figura, no texto e nas tabelas abaixo.


Com relação ao funcionamento hidráulico da torneira T1 é correto afirmar que: 

Provas
Questão presente nas seguintes provas
Cadernos
Caderno Container