Foram encontradas 70 questões.

Considere o diagrama em blocos da figura acima, formado por dois sistemas lineares de 1a ordem, ligados em cascata. As equações diferenciais que representam a dinâmica desses sistemas são:

A expressão da função de transferência que liga a entrada X(s) à saída Y(s), dada por
, éProvas
Questão presente nas seguintes provas

O gráfico da figura acima mostra a resposta ao degrau unitário aplicado sobre um sistema em malha fechada, cujo diagrama em blocos está representado na figura.
Com base nos dados do gráfico, o valor do ganho K é
Provas
Questão presente nas seguintes provas
O polinômio do denominador da função de transferência em malha fechada de um sistema linear s3 + 10s2 + 8s + K - 64
Considerando-se que o numerador da função de transferência é um valor constante, qual a faixa de variação do ganho K que garante a estabilidade do sistema?
Considerando-se que o numerador da função de transferência é um valor constante, qual a faixa de variação do ganho K que garante a estabilidade do sistema?
Provas
Questão presente nas seguintes provas
Uma onda plana uniforme e linearmente polarizada propaga-se na direção positiva do eixo z em um meio dielétrico perfeito, ilimitado, com permissividade ε [F/m] e permeabilidade μo
o [H/m]. Num determinado ponto P desse meio, a expressão complexa (fasorial) do vetor intensidade de campo elétrico é
E p=uxEe-jβz[V/m]
onde:
• µ x é o vetor unitário na direção x do sistema de coordenadas retangulares;
• µ z é o vetor unitário na direção z do sistema de coordenadas retangulares;
• ß é a constante de fase em [rad/m] na direção z;
• E é a amplitude da intensidade de campo elétrico em [V/m];
• z é a distancia em [m] medida sobre o eixo z.
A expressão da densidade média de potência, em [W/m 2]
dessa onda plana no ponto P, é
E p=uxEe-jβz[V/m]
onde:
• µ x é o vetor unitário na direção x do sistema de coordenadas retangulares;
• µ z é o vetor unitário na direção z do sistema de coordenadas retangulares;
• ß é a constante de fase em [rad/m] na direção z;
• E é a amplitude da intensidade de campo elétrico em [V/m];
• z é a distancia em [m] medida sobre o eixo z.
A expressão da densidade média de potência, em [W/m 2]
dessa onda plana no ponto P, é
Provas
Questão presente nas seguintes provas

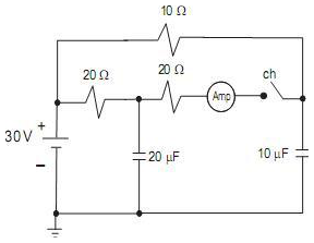
Considere o circuito da figura acima, alimentado por uma fonte de tensão CC e formado por resistores e capacitores, onde todos os componentes são considerados ideais. Após permanecer por muito tempo aberta, a chave ch é fechada e uma medida de corrente é feita no amperímetro (Amp).
No exato instante em que a chave ch é fechada, qual o valor, em A, da corrente medida no amperímetro?
Provas
Questão presente nas seguintes provas
- Sistemas Elétricos de PotênciaDistribuição de Energia Elétrica
- Sistemas Elétricos de PotênciaTransmissão

A figura acima mostra a disposição dos condutores de uma linha aérea de distribuição de energia. Os condutores de fase são idênticos, cilíndricos, maciços e de raio R, conforme indicado na figura acima. Cada condutor permanece em cada posição indicada por uma extensão exatamente igual a 1/3 do comprimento da linha. Sabe-se que o solo é ideal, que a permeabilidade magnética do ar é µ e que a frequência da tensão de operação é f.
De acordo com as informações apresentadas e desprezando-se a impedância interna dos condutores, então, a impedância própria longitudinal por unidade de comprimento de uma das fases da linha é
Provas
Questão presente nas seguintes provas

Para cálculo de parâmetros de linha de transmissão com condutores geminados (feixe), um método aproximado consiste em substituir o feixe por um condutor equivalente. Na figura acima é mostrado o condutor geminado de uma linha de transmissão. Os subcondutores desse feixe são cilíndricos, maciços e de raio r Desconsiderando-se a impedância interna dos subcondutores, o raio do condutor equivalente a esse feixe, em função dos dados apresentados, é
Provas
Questão presente nas seguintes provas
Um sistema elétrico trifásico pode ter suas grandezas fasoriais representadas em termos de componentes simétricos nas sequências positiva, negativa e zero.
A expressão da potência complexa trifásica, em termos de componentes simétricos, é dada pela expressão

A expressão da potência complexa trifásica, em termos de componentes simétricos, é dada pela expressão

Provas
Questão presente nas seguintes provas

A figura acima mostra parcialmente um sistema elétrico de potência radial. O gerador está operando em condições nominais.
Considerando como base do sistema a tensão de 20 kV e a potência de 20 MVA na barra em que o reator está conectado, então, o valor por unidade da tensão nessa mesma barra é
Provas
Questão presente nas seguintes provas

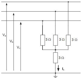
A figura acima mostra a representação de uma falta que envolve as três fases e o terra. No ponto em que ocorre a falta, as tensões fase-terra são:
• V a= ( 120∠ 300 + 50∠150+24∠450)volts
• V b = ( 120∠-900+50∠1350+24∠450)volts
• V c = ( 120∠1500+50∠-1050+24∠450)volts
De acordo com as informações apresentadas, o valor rms, em ampère, da corrente IX indicada na figura é
Provas
Questão presente nas seguintes provas
Cadernos
Caderno Container