Foram encontradas 40 questões.
Um reator (volume 2 litros) é alimentado com um líquido (vazão de 1L/min) contendo A e B (concentrações iniciais de 0,10 mol/L e 0,01 mol/L, respectivamente). As substâncias reagem de forma complexa e a estequiometria é desconhecida. O fluxo que sai do reator é composto por A, B e C (CA=0,02 mol/L; CB=0,03 mol/L e CC=0,04 mol/L).
Considerando o sistema com densidade constante, pode-se afirmar que:
Provas
Se uma variação degrau de amplitude A é aplicada a um sistema de primeira ordem, a transformada de X(t) é:
Provas
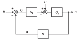
Considere o sistema de controle com malha única apresentado na figura abaixo.
O sistema apresenta as seguintes funções de transferência:

!$ G_1 \, = \, 10 \dfrac {0,5 \, s+1} {s} !$ (controlador PI)
!$ G_2 \, = \, \dfrac {1} {2s+1} !$ (tanque com agitação)
H=1 (elemento de medida sem retardo)
Para avaliar se o sistema é estável, as raízes da equação característica foram determinadas.
As raízes e a estabilidade do sistema são:
Provas
Duas correntes entram e duas correntes saem de um estágio de equilíbrio, conforme ilustrado na Figura a seguir.

Corrente Lo: 100 kg ácido acético; 20 kg de éter isopropílico e 80 kg de água
Corrente V2: 15 kg ácido acético; 82 kg de éter isopropílico e 3 kg de água

Considerando os dados do diagrama ternário acima, as quantidades L1 e V1 (em kg) são, respectivamente:
Provas
Em relação ao equilíbrio líquido-vapor, considere as afirmações a seguir.
I - Ponto de Bolha é a temperatura de uma solução, de composição determinada, em que principia a vaporização, durante um processo de aquecimento.
II - Ponto de Orvalho é a temperatura em que principia a condensação de um vapor, durante um processo de condensação.
III - Para um líquido puro, os pontos de bolha e orvalho coincidem com o ponto crítico.
IV - Os pontos de bolha e orvalho de soluções ideais podem ser calculados a partir da Lei de Dalton.
Está(ão) correta(s) apenas a(s) afirmação(ões):
Provas
Considere a figura abaixo.

É necessário bombear, a uma vazão constante, um líquido de densidade e viscosidade semelhantes às da água para um reator, a uma vazão de 72 gal/min. A bomba deve operar a uma pressão de 180 psi, conforme balanço de energia do sistema. Dispõe-se de uma bomba com as características dadas pela figura com um motor de velocidade variável.
A potência (em HP) necessária para manter o escoamento é:
Provas
Considere o diagrama abaixo.

A carga do sistema de destilação representado no diagrama deve ser caracterizada como:
Provas
Observe a figura abaixo.

O manômetro ilustrado contém três líquidos. Quando p1=10,0 kPa (manométrica), a deflexão d (em mm) é: (Considere g=10 m/s2 e DR = densidade relativa)
Provas
Observe o fluxograma abaixo.

O fluxograma ilustra um processo contínuo no estado estacionário, contendo duas unidades. Cada corrente contém dois componentes (A e B), em diferentes proporções. Três correntes cujas vazões e/ou composições não são conhecidas são rotuladas de 1, 2 e 3. A vazão da corrente 3 (em kg/h) e a composição de A, nesta mesma corrente (em kg A/kg), são, respectivamente:
Provas
Observe o gráfico abaixo.

A substância A se transforma em C através de duas reações seqüenciais !$ A \, \rightarrow \, B \, \rightarrow \, C, !$ sendo a primeira de ordem 1 e a segunda, de ordem 2. O gráfico representa as concentrações (mol/l) das diferentes espécies em função do tempo (min).
As curvas associadas a cada uma das espécies, respectivamente, são:
Provas
Caderno Container