Foram encontradas 760 questões.

O tempo de execução desse projeto é:
Provas

Considerando que essa máquina é um motor, a curva que limita a máxima carga que esse motor pode receber é:
Provas

Sabendo-se que as cores das faixas 1, 2, 3 e 4 são, respectivamente, marrom, vermelho, laranja e prata, a resistência R desse resistor, em ohm, está compreendida entre:
Provas

Esse circuito inicialmente está com a chave conectada no polo “1". Após um tempo suficiente para que o circuito opere em regime permanente, a chave é ligada ao polo “2". A partir desse momento, a corrente elétrica é dada pela expressão:
Provas

Para que o resistor de 5 Ω do circuito seja submetido a uma ddp de 12,5 V, o resistor R deve ter uma resistência de:
Provas
O gráfico mostra a curva de conjugado de um motor trifásico de corrente alternada e a sua aplicação para uma carga cuja reta de conjugado resistente é crescente com o aumento da velocidade de rotação.

Sobre a aplicação desse motor em relação à carga, suas características de operação e exigências de comando e controle, considere as afirmativas a seguir:
I – Existe disponibilidade de conjugado motor para acionar o conjugado resistente. Entretanto, é possível que o tempo de aceleração do motor da velocidade zero até a velocidade de rotação de operação não seja suficientemente curto para evitar a elevação excessiva da temperatura dos enrolamentos, pois a diferença entre o conjugado motor médio e o conjugado resistente médio é relativamente pequena.
II - Para evitar sobrecarga na partida com esse conjugado resistente, deve-se utilizar uma chave estrela-triângulo, que reduza em 50% o conjugado de partida do motor.
III – Como o conjugado resistente atinge somente 95% do conjugado do motor, não é necessária a utilização de dispositivos de proteção no circuito de alimentação do motor.
Provas
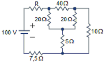
A associação dos valores dos resistores desse circuito é:
Provas
Provas
Provas
- Instalações ElétricasEquipamentos em Baixa Tensão
- Instalações ElétricasEquipamentos em Média Tensão
- Proteção de Sistemas ElétricosProteção em Média Tensão
- Sistemas Elétricos de PotênciaDistribuição de Energia Elétrica
Provas
Caderno Container