Foram encontradas 430 questões.
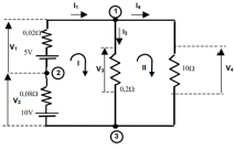
Em um circuito de corrente contínua, uma rede de bipolos é um conjunto de bipolos ligados entre si. Considerando a rede abaixo, pode-se afirmar que a corrente de 49,668A, refere-se a:

Provas
Sobre Circuitos de Corrente Alternada, nas afirmações abaixo, marque "V" se forem verdadeiras e "F" se forem falsas, e em seguida assinale a alternativa com a sequência correta:
( ) Na análise de circuitos alternada, é bastante útil usar o formalismo da impedância complexa, que usa as propriedades das exponenciais imaginárias para simplificar a análise de problemas que envolvem valores (tensões e correntes) que variam senoidalmente. A grande vantagem é que as equações diferenciais lineares transformam-se facilmente em equações ordinárias.
( ) Com o formalismo de impedâncias complexas a análise dos circuitos de corrente contínua. Do mesmo modo que uma combinação de resistores em série e em paralelo pode ser representada por um único resistor equivalente, um circuito contendo uma combinação arbitrária de resistores, indutores e capacitores pode ser representado por uma impedância total Z.
( ) A tensão e a corrente variam periodicamente no tempo, e estão fora de fase por um ângulo de 90º. Entretanto, no caso do circuito puramente indutivo a corrente é atrasada em relação à tensão. Esse resultado pode ser compreendido qualitativamente se lembramos que a força contra eletromotriz no indutor é proporcional a taxa de variação da corrente no tempo (lei de Faraday- Lenz).
Provas
Em empreendimentos com área de pavimentação asfáltica superior a 35.000,00 m² (trinta e cinco mil metros quadrados) deverão ser apresentados ensaios de sondagem a trado em pelo menos quantos por cento das vias projetadas?
Provas
Os piquetes são necessários para marcar convenientemente os extremos do alinhamento a ser medido. Estes apresentam as seguintes características, EXCETO:
Provas
Em um ensaio de SPT, elevação do martelo é feita de maneira automática, com acionamento mecânico ou hidráulico, até a altura de:
Provas
O critério de paralisação das sondagens é de responsabilidade técnica da contratante ou de seu preposto, e deve ser definido de acordo com as necessidades específicas do projeto.Na ausência do fornecimento do critério de paralisação por parte da contratante ou de seu preposto, assinale a alternativa que corresponde a um critério correto.
Provas
Em relação ao armazenamento de materiais, material empilhado deverá ficar afastado das estruturas laterais do prédio a uma distância de pelo menos:
Provas
A argamassa é o material mais utilizado e indicado para se fazer um correto revestimento. De acordo com a norma de revestimentos cerâmicos de fachada e paredes externas, qual a melhor definição para argamassa colante?
Provas
De acordo com a Normativa Brasileira que aborda sobre concreto de cimento Portland, concreto leve, é aquele com:
Provas
Das alternativas abaixo assinale a que não é uma fundação do tipo rasa.
Provas
Caderno Container